lemon-mirror:
Home >> Infiniti >> 2009 >> M35 Base >> Repair and Diagnosis >> Accessories & Equipment >> Communication Devices >> Body Control System >> Service Information >> BCM (Body Control Module) >> Schematic

BCM (Body Control Module): Schematic

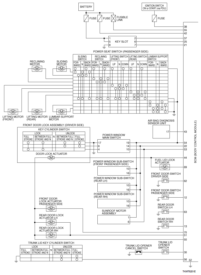
Fig 1: BCM Schematic (1 Of 2)
G06310721Courtesy of NISSAN MOTOR CO., U.S.A.
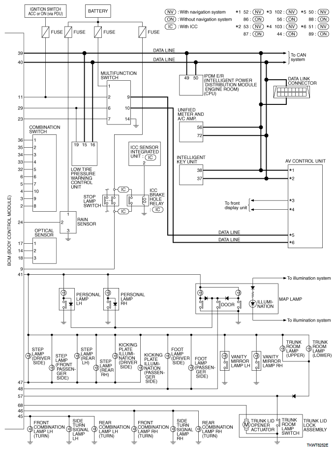
Fig 2: BCM Schematic (2 Of 2)
G06310722Courtesy of NISSAN MOTOR CO., U.S.A.