lemon-mirror:
Home >> Infiniti >> 2010 >> FX35 RWD >> Repair and Diagnosis >> Transmission >> Automatic Transmission >> On-Vehicle Repair >> Control Device >> Exploded View

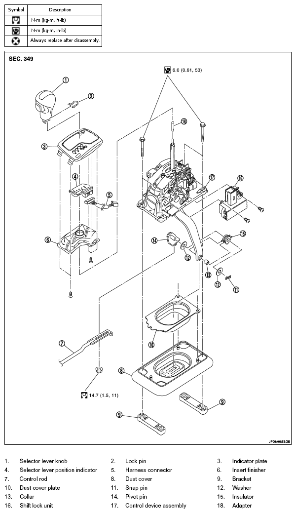
Exploded View

Fig 1: View Of Control Device With Torque Specifications
G05980361Courtesy of NISSAN MOTOR CO., U.S.A.

Refer to COMPONENTS for symbols above.