lemon-mirror:
Home >> Infiniti >> 2010 >> M45 Base >> Repair and Diagnosis >> Engine Performance >> System >> Engine Control System - DTCS P0460 To P1421 >> DTC P1220 Fuel Pump Control Module (FPCM) >> Wiring Diagram

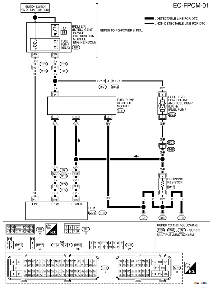
DTC P1220 Fuel Pump Control Module (FPCM): Wiring Diagram

NOTE: For PG-Power, go to POWER SUPPLY, GROUND & CIRCUIT ELEMENTS .
Fig 1: Wiring Diagram - EC-FPCM-01
G06303325Courtesy of NISSAN MOTOR CO., U.S.A.

Specification data are reference values and are measured between each terminal and ground.

CAUTION: Never use ECM ground terminals when measuring input/output voltage. Doing so may result in damage to the ECM's transistor. Use a ground other than ECM terminals, such as the ground.
CONNECTOR TERMINALS REFERENCE CHART

TERMINAL NO. WIRE COLOR ITEM CONDITION DATA (DC Voltage)
38 G/B Fuel pump control module (FPCM) check [When cranking engine]  Approximately 0 V
[Engine is running] 
  • Warm-up condition 
  • Idle speed
4 - 6 V
39 B/R Fuel pump control module (FPCM) [When cranking engine]  0 - 0.5 V
[Engine is running] 
  • Warm-up condition 
  • Idle speed
8 - 12 V
113 GR Fuel pump relay [Ignition switch: ON] 
  • For 1 second after turning ignition switch ON

[Engine is running] 
0 - 1.5 V
[Ignition switch: ON] 
  • More than 1 second after turning ignition switch ON
BATTERY VOLTAGE (11 - 14 V)