lemon-mirror:
Home >> Infiniti >> 2011 >> EX35 Base, AWD >> Repair and Diagnosis >> Transmission >> Automatic Transaxle >> System Description >> Shift Mechanism >> System Diagram

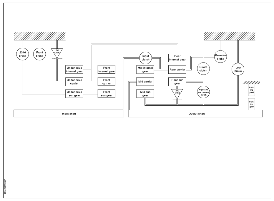
System Diagram

Fig 1: Shift Mechanism - System Diagram
G07165248Courtesy of NISSAN MOTOR CO., U.S.A.