lemon-mirror:
Home >> Infiniti >> 2011 >> EX35 Base, RWD >> Repair and Diagnosis >> Transmission >> Automatic Transaxle >> Unit Disassembly And Assembly >> Transmission Assembly >> Exploded View >> AWD Models

AWD Models

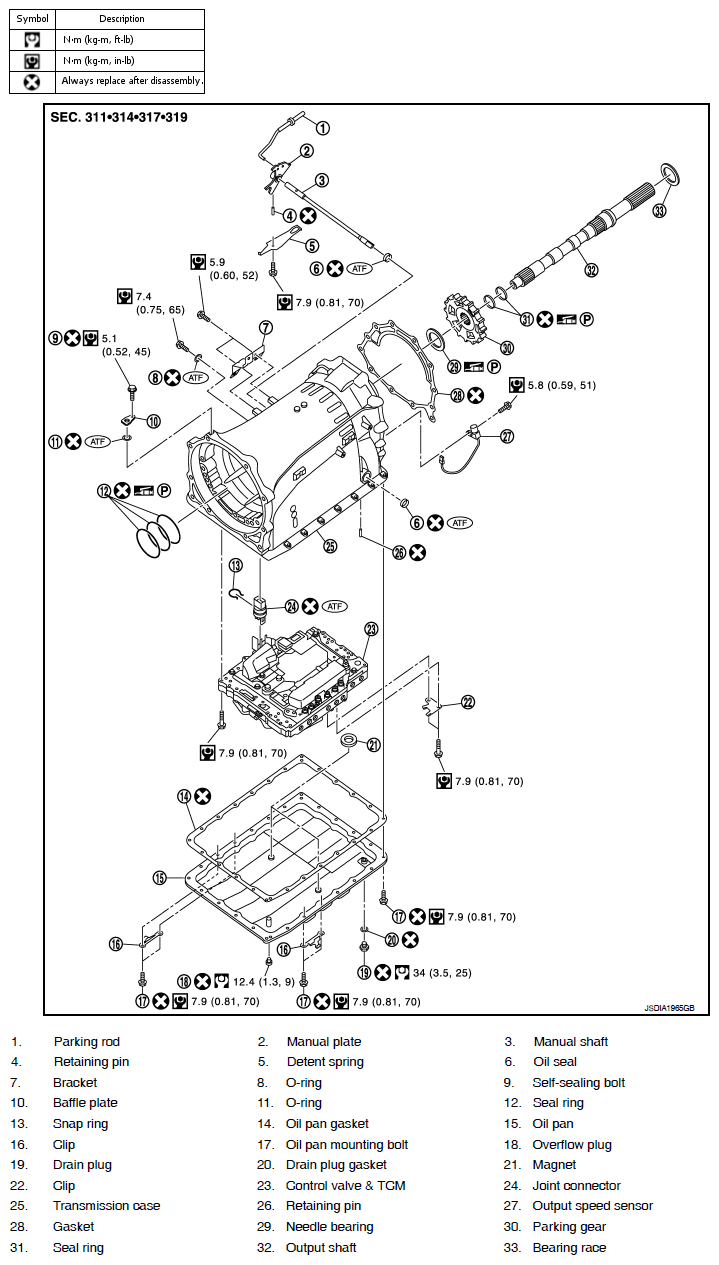
Fig 1: Transmission Assembly Replacement Components With Torque Specifications (AWD)
G07165391Courtesy of NISSAN MOTOR CO., U.S.A.

Refer to "COMPONENTS " for symbols not described on the above.

Fig 2: Identifying Transmission Assembly Components (Type 1)
G07165392Courtesy of NISSAN MOTOR CO., U.S.A.

Refer to "COMPONENTS " for symbols in the figure.

Fig 3: Identifying Transmission Assembly Components (Type 2)
G07165393Courtesy of NISSAN MOTOR CO., U.S.A.

Refer to "COMPONENTS " for symbols in the figure.

Fig 4: Identifying Transmission Assembly Components (Type 1)
G07165394Courtesy of NISSAN MOTOR CO., U.S.A.

Refer to "COMPONENTS " for symbols in the figure.

Fig 5: Identifying Transmission Assembly Components (Type 2)
G07165395Courtesy of NISSAN MOTOR CO., U.S.A.

Refer to "COMPONENTS " for symbols in the figure.

Fig 6: Transmission Assembly Replacement Components With Torque Specifications (1 Of 2)
G07165396Courtesy of NISSAN MOTOR CO., U.S.A.

Refer to "COMPONENTS " for symbols in the figure.

Fig 7: Transmission Assembly Replacement Components With Torque Specifications (2 Of 2)
G07165397Courtesy of NISSAN MOTOR CO., U.S.A.

Refer to "COMPONENTS " for symbols in the figure.