lemon-mirror:
Home >> Infiniti >> 2012 >> EX35 Base, AWD >> Repair and Diagnosis >> Transmission >> Automatic Transmission >> Removal And Installation >> A/T Shift Selector >> Exploded View

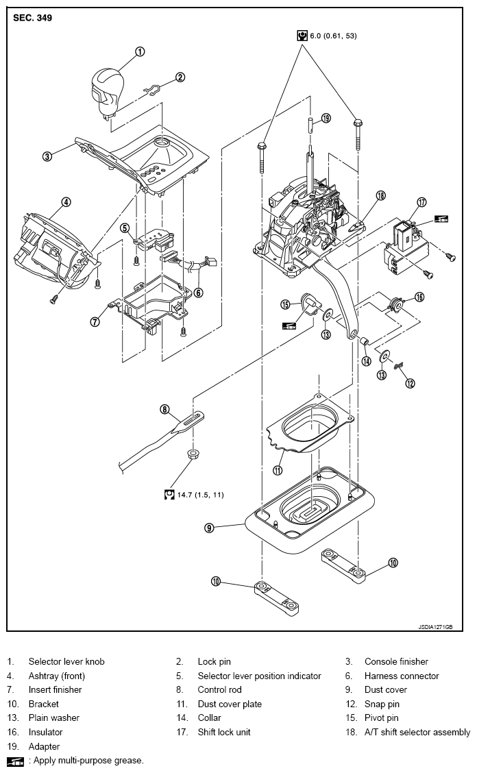
Exploded View

Fig 1: Exploded View Of A/T Shift Selector With Torque Specifications
G08197115Courtesy of NISSAN NORTH AMERICA, INC.

Refer to "COMPONENTS " for symbols not described on the above.