lemon-mirror:
Home >> Infiniti >> 2012 >> FX50 >> Repair and Diagnosis >> Body & Frame >> Door Locks >> Security Control System >> DTC/Circuit Diagnosis >> Intelligent Key System/Engine Start Function >> Wiring Diagram - Intelligent Key System/Engine Start Function -

Wiring Diagram - Intelligent Key System/Engine Start Function -

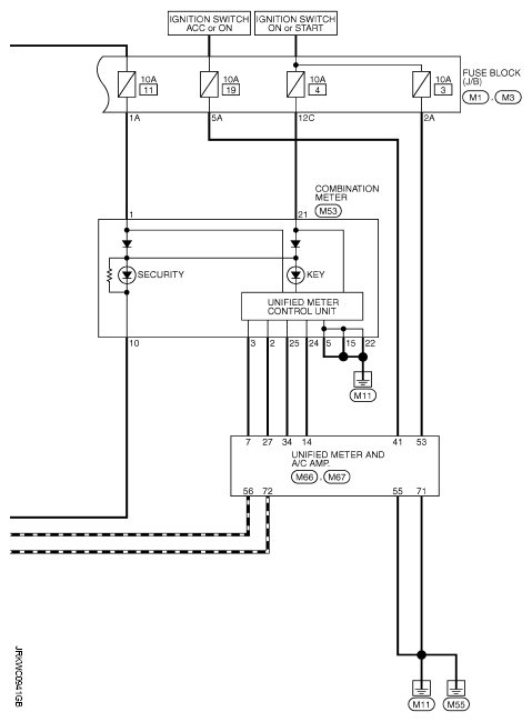
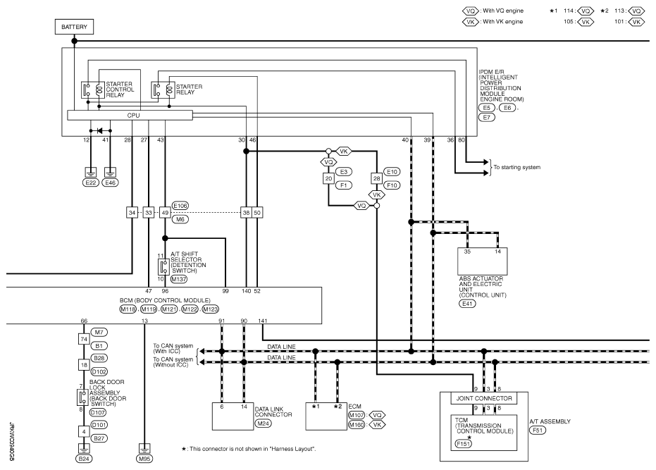
For connector terminal arrangements, harness layouts, and alphabets in a "diamond-shaped" symbol (option abbreviation; if not described in wiring diagram), refer to "CONNECTOR INFORMATION ".

Fig 1: Intelligent Key System/Engine Start Function - Wiring Diagram (1 Of 3)
G08227186Courtesy of NISSAN NORTH AMERICA, INC.
Fig 2: Intelligent Key System/Engine Start Function - Wiring Diagram (2 Of 3)
G08227187Courtesy of NISSAN NORTH AMERICA, INC.
Fig 3: Intelligent Key System/Engine Start Function - Wiring Diagram (3 Of 3)
G08227188Courtesy of NISSAN NORTH AMERICA, INC.