lemon-mirror:
Home >> Infiniti >> 2012 >> FX50 >> Repair and Diagnosis >> Transmission >> Automatic Transmission >> System Description >> Shift Mechanism >> System Diagram

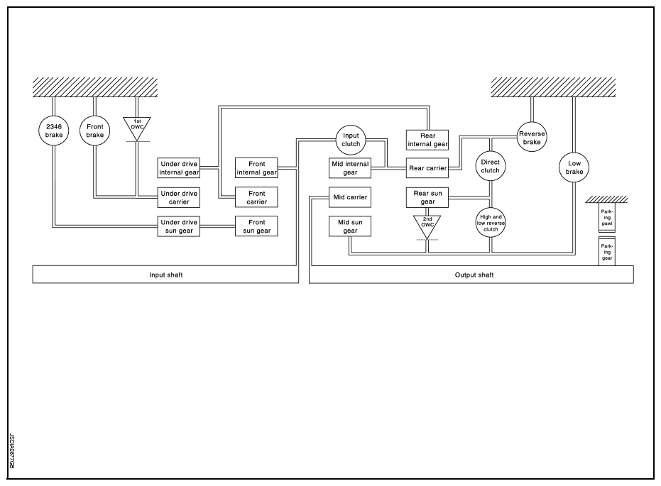
System Diagram

Fig 1: Power Transmission - System Diagram
G07022965Courtesy of NISSAN NORTH AMERICA, INC.