lemon-mirror:
Home >> Infiniti >> 2012 >> FX50 >> Repair and Diagnosis >> Transmission >> Automatic Transmission >> Unit Disassembly And Assembly >> Transmission Assembly >> Exploded View

Exploded View

Fig 1: Exploded View Of Transmission Assembly With Torque Specifications
G08217765Courtesy of NISSAN NORTH AMERICA, INC.

*: Refer to "RECOMMENDED CHEMICAL PRODUCTS AND SEALANTS ".

Refer to "COMPONENTS " for symbols not described on the above.

Fig 2: Exploded View Of Transmission Assembly (Type 1)
G08217766Courtesy of NISSAN NORTH AMERICA, INC.

Refer to "COMPONENTS " for symbols not described on the above.

Fig 3: Exploded View Of Transmission Assembly (Type 2)
G08217767Courtesy of NISSAN NORTH AMERICA, INC.

Refer to "COMPONENTS " for symbols not described on the above.

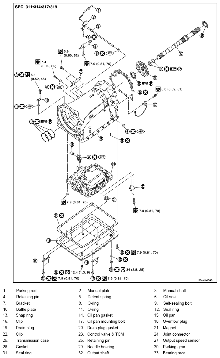
Fig 4: Identifying Transmission Assembly Components (Type 1)
G08217768Courtesy of NISSAN NORTH AMERICA, INC.

Refer to "COMPONENTS " for symbols in the figure.

Fig 5: Identifying Transmission Assembly Components (Type 2)
G08217769Courtesy of NISSAN NORTH AMERICA, INC.

Refer to "COMPONENTS " for symbols in the figure.

Fig 6: Disassembled View Of Transmission Assembly With Torque Specifications
G08217770Courtesy of NISSAN NORTH AMERICA, INC.

Refer to "COMPONENTS " for symbols in the figure.

Fig 7: Identifying Transmission Assembly Components
G08217771Courtesy of NISSAN NORTH AMERICA, INC.

Refer to "COMPONENTS " for symbols in the figure.