lemon-mirror:
Home >> Infiniti >> 2012 >> M37 Base >> Repair and Diagnosis >> Transmission >> Automatic Transmission >> System Description >> Structure And Operation >> System Diagram

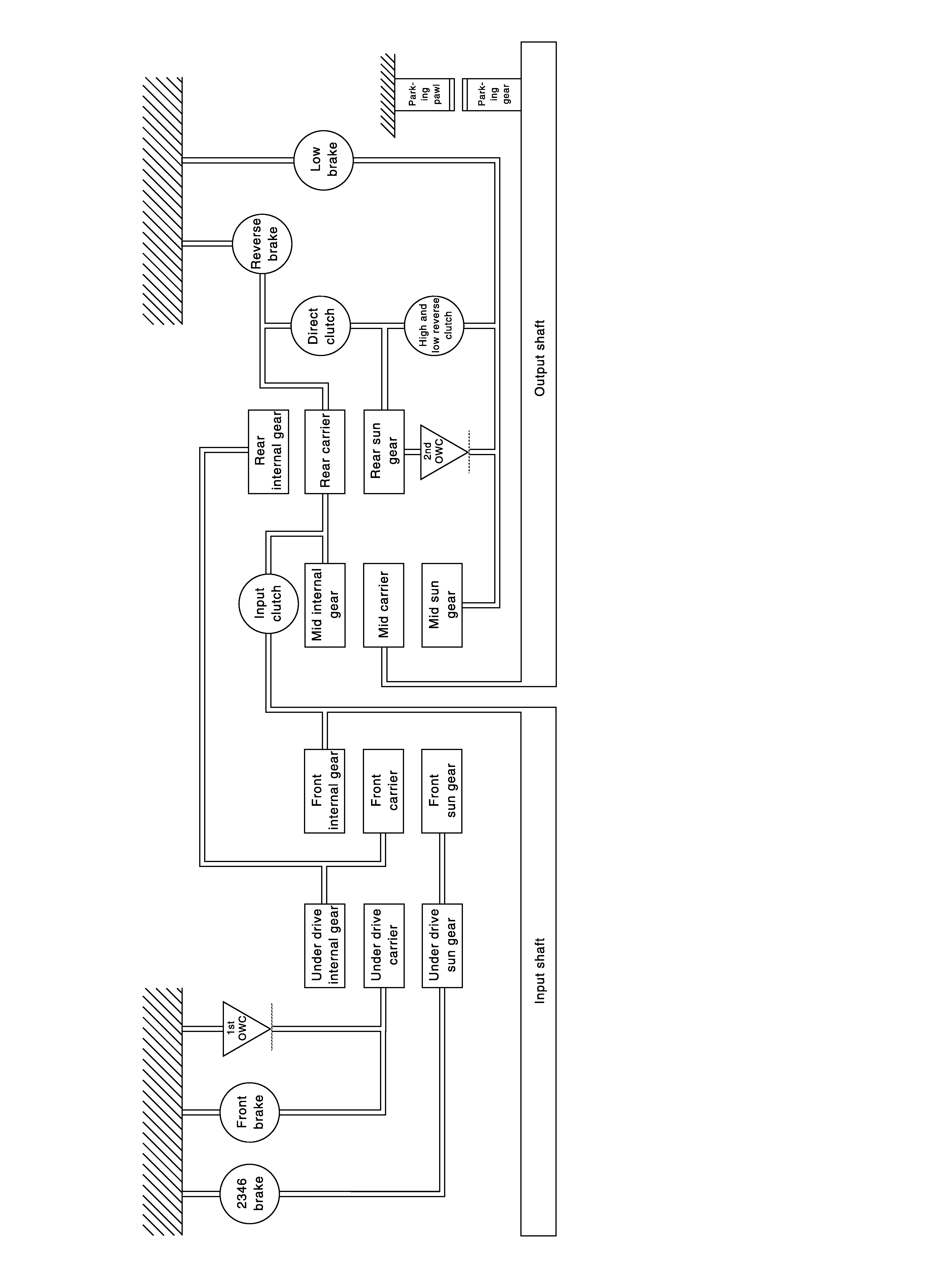
System Diagram

Fig 1: A/T Shift Lock System Diagram
G05969745Courtesy of NISSAN NORTH AMERICA, INC.