lemon-mirror:
Home >> Infiniti >> 2012 >> QX56 AWD >> Repair and Diagnosis >> Engine Performance >> System >> Engine Control System - Introduction (For MEXICO) >> Wiring Diagram >> Engine Control System >> Wiring Diagram

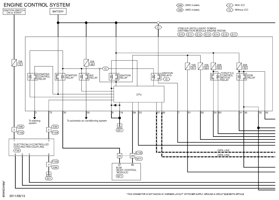
Engine Control System: Wiring Diagram

For connector terminal arrangements, harness layouts, and alphabets in a (option abbreviation; if not described in wiring diagram), refer to "CONNECTOR INFORMATION ".

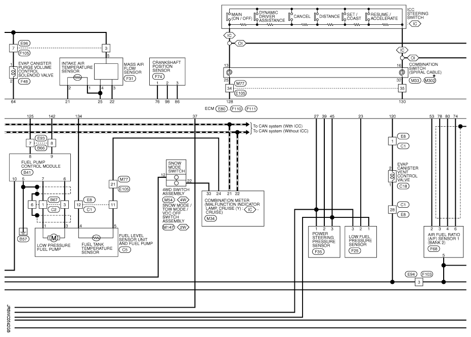
Fig 1: Engine Control System - Wiring Diagram (1 Of 6)
G08257062Courtesy of NISSAN NORTH AMERICA, INC.
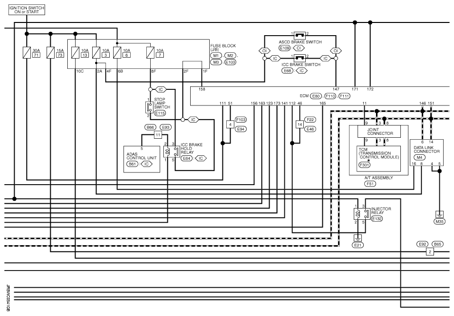
Fig 2: Engine Control System - Wiring Diagram (2 Of 6)
G08257063Courtesy of NISSAN NORTH AMERICA, INC.
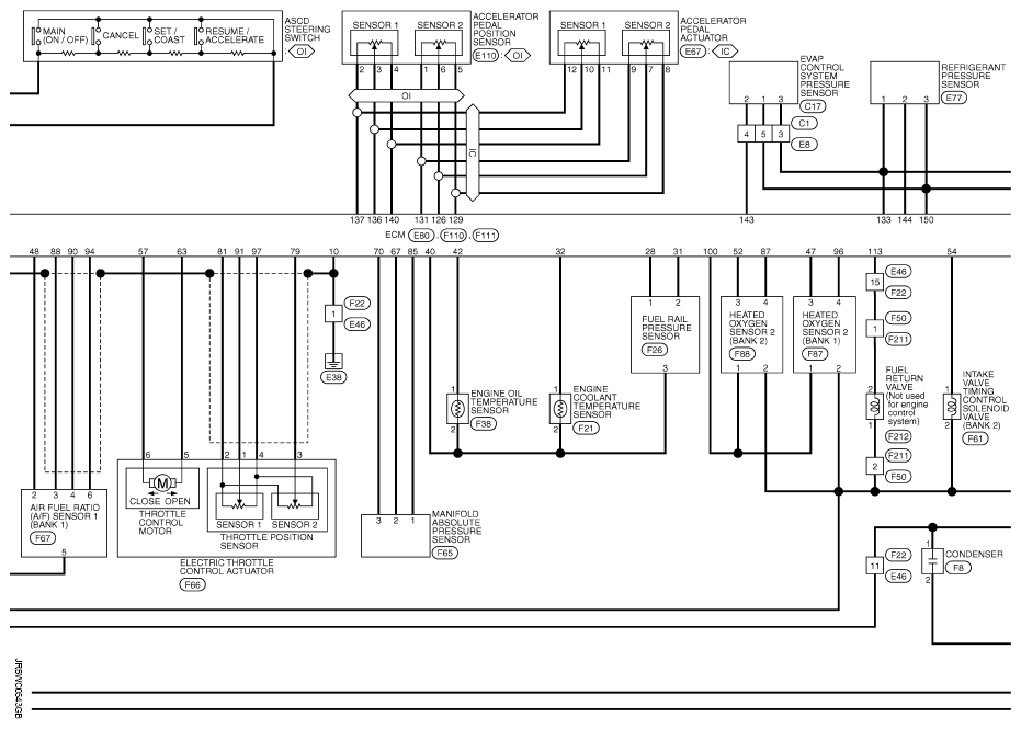
Fig 3: Engine Control System - Wiring Diagram (3 Of 6)
G08257064Courtesy of NISSAN NORTH AMERICA, INC.
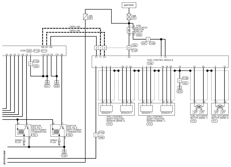
Fig 4: Engine Control System - Wiring Diagram (4 Of 6)
G08257065Courtesy of NISSAN NORTH AMERICA, INC.
Fig 5: Engine Control System - Wiring Diagram (5 Of 6)
G08257066Courtesy of NISSAN NORTH AMERICA, INC.
Fig 6: Engine Control System - Wiring Diagram (6 Of 6)
G08257067Courtesy of NISSAN NORTH AMERICA, INC.