lemon-mirror:
Home >> Infiniti >> 2012 >> QX56 AWD >> Repair and Diagnosis >> Suspension >> Suspension Control Systems >> HBMC >> System Description >> System >> System Diagram

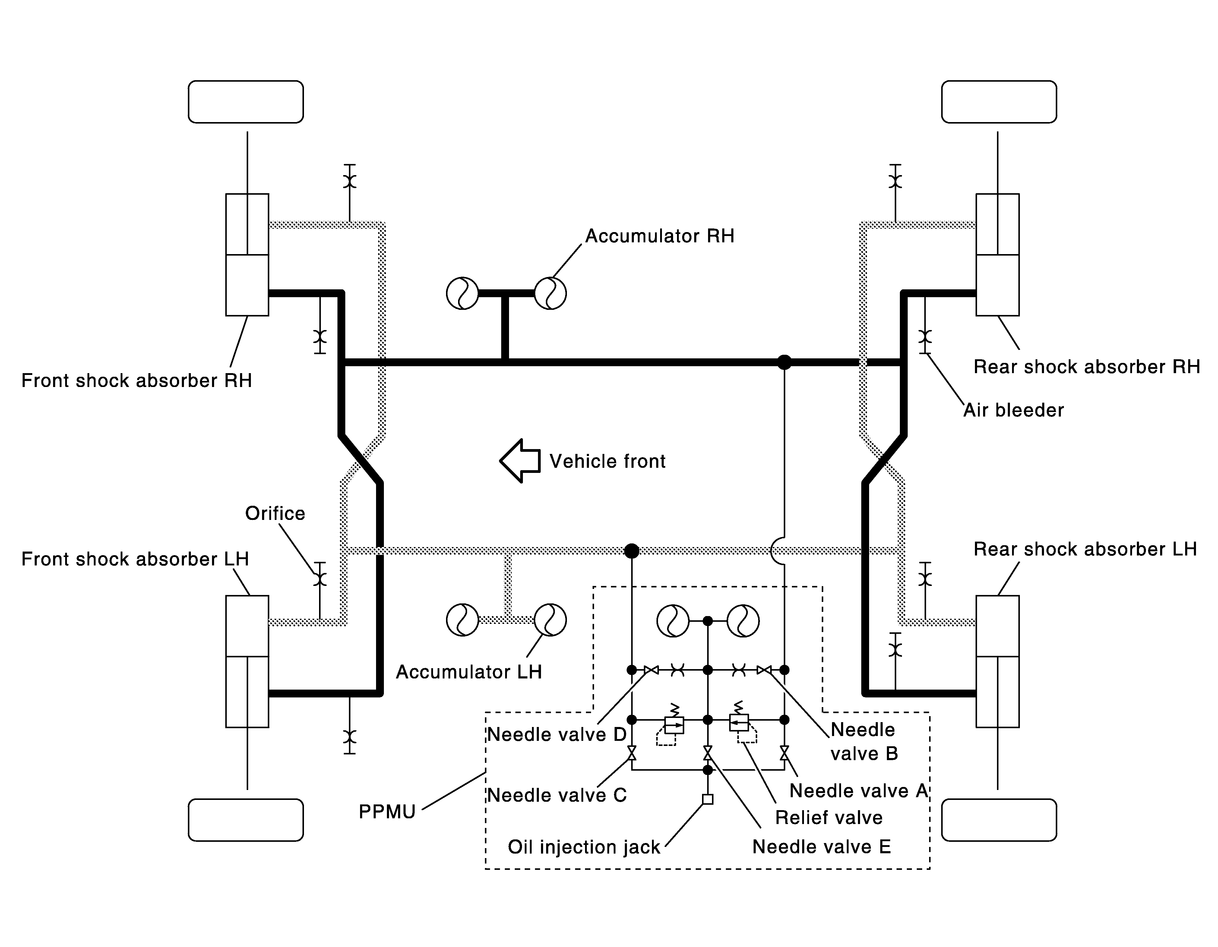
System Diagram

Fig 1: PPMU System Diagram
G07045665Courtesy of NISSAN MOTOR CO., U.S.A.