lemon-mirror:
Home >> Infiniti >> 2013 >> EX37 Base, AWD >> Repair and Diagnosis >> Transmission >> Automatic Transmission >> Unit Disassembly And Assembly >> Transmission Assembly >> Exploded View >> 2WD Models

2WD Models

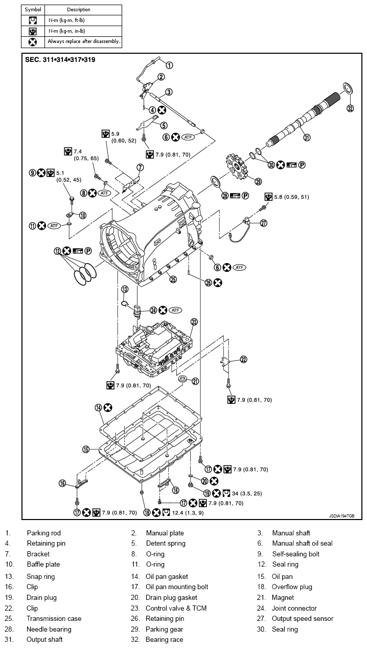
Fig 1: Exploded View Of Transmission Assembly With Torque Specifications (2WD)
G08992557Courtesy of NISSAN NORTH AMERICA, INC.

Refer to "COMPONENTS " for symbols not described on the above.

Fig 2: Disassembled View Of Transmission Assembly (2WD Models, 1 Of 4)
G08992558Courtesy of NISSAN NORTH AMERICA, INC.

Refer to "COMPONENTS " for symbols in the figure.

Fig 3: Disassembled View Of Transmission Assembly (2WD Models, 2 Of 4)
G08992559Courtesy of NISSAN NORTH AMERICA, INC.

Refer to "COMPONENTS " for symbols in the figure.

Fig 4: Disassembled View Of Transmission Assembly With Torque Specifications (2WD Models, 3 Of 4)
G08992560Courtesy of NISSAN NORTH AMERICA, INC.

Refer to "COMPONENTS " for symbols in the figure.

Fig 5: Disassembled View Of Transmission Assembly With Torque Specifications (2WD Models, 4 Of 4)
G08992561Courtesy of NISSAN NORTH AMERICA, INC.

Refer to "COMPONENTS " for symbols not described on the above.