lemon-mirror:
Home >> Infiniti >> 2013 >> FX37 Base, AWD >> Repair and Diagnosis >> Transmission >> Automatic Transmission >> Unit Disassembly And Assembly >> Transmission Assembly >> Assembly

Transmission Assembly: Assembly

  1. As shown in the figure below, use a drift [22 mm (0.87 in) dia. commercial service tool] to drive manual shaft oil seals into the transmission case until it is flush.
    CAUTION:
    • Never reuse manual shaft oil seals.
    • Apply ATF to manual shaft oil seals.
    Fig 1: Driving Manual Shaft Oil Seals Into Transmission Case Using Drift
    G09001941Courtesy of NISSAN NORTH AMERICA, INC.
  2. Install detent spring to transmission case. Tighten detent spring bolt to the specified torque.
    Fig 2: Installing Detent Spring Bolt
    G09001942Courtesy of NISSAN NORTH AMERICA, INC.
  3. Install manual shaft to transmission case.
    Fig 3: Installing Transmission Case Manual Shaft
    G09001943Courtesy of NISSAN NORTH AMERICA, INC.
  4. Install parking rod (1) to manual plate (2).
    Fig 4: Installing Parking Rod To Manual Plate
    G09001944Courtesy of NISSAN NORTH AMERICA, INC.
  5. Install manual plate (with parking rod) to manual shaft.
    Fig 5: Installing Manual Plate
    G09001945Courtesy of NISSAN NORTH AMERICA, INC.
  6. Install retaining pin (1) into the manual plate and manual shaft.
    1. Fit pinhole of the manual plate to pinhole of the manual shaft with a pin punch.
    2. Use a hammer to tap the retaining pin into the manual plate.

      A: Approx. 2 mm (0.08in) 

      Fig 6: Installing Retaining Pin Into Manual Plate And Manual Shaft
      G09001946Courtesy of NISSAN NORTH AMERICA, INC.
      CAUTION: Drive retaining pin to 2±0.5 mm (0.08±0.020 in) over the manual plate.
  7. Install retaining pin into the transmission case and manual shaft.
    1. Fit pinhole of the transmission case to pinhole of the manual shaft with a pin punch.
    2. Use a hammer to tap the retaining pin into the transmission case.
      CAUTION: Drive retaining pin to 5±1 mm (0.20±0.04 in) over the transmission case.
      Fig 7: Installing Retaining Pin Into Transmission Case And Manual Shaft
      G09001947Courtesy of NISSAN NORTH AMERICA, INC.
  8. Install D-rings to reverse brake piston.
    Fig 8: Installing Reverse Brake Piston D-Rings
    G09001948Courtesy of NISSAN NORTH AMERICA, INC.
  9. Install reverse brake piston to transmission case.
    Fig 9: Installing Transmission Case Reverse Brake Piston
    G09001949Courtesy of NISSAN NORTH AMERICA, INC.
  10. Install needle bearing to drum support edge surface.
    CAUTION: Check the direction of needle bearing. Refer to "LOCATION OF NEEDLE BEARINGS AND BEARING RACES ".
    Fig 10: Installing Needle Bearing
    G09001950Courtesy of NISSAN NORTH AMERICA, INC.
  11. Install seal rings to drum support.
    Fig 11: Installing Drum Support Seal Rings
    G09001951Courtesy of NISSAN NORTH AMERICA, INC.
  12. Install reverse brake spring retainer and reverse brake return spring to transmission case.
    Fig 12: Installing Reverse Brake Spring Retainer
    G09001952Courtesy of NISSAN NORTH AMERICA, INC.
  13. Set the clutch spring compressor on reverse brake spring retainer and install snap ring (fixing spring retainer) to transmission case while compressing return spring.
    CAUTION:
    • Securely assemble them using a flat-bladed screwdriver so that snap ring tension is slightly weak.
    • Be careful not to damage snap ring.
    Fig 13: Installing Snap Ring Using Tool
    G09001953Courtesy of NISSAN NORTH AMERICA, INC.
  14. Install reverse brake component part (drive plates, driven plates, and dish plates) to transmission case.
    Fig 14: Identifying Drive Plates, Driven Plates And Dish Plates Of Reverse Brake
    G09001954Courtesy of NISSAN NORTH AMERICA, INC.
    CAUTION: Check order of plates.
  15. Assemble N-spring.
    Fig 15: Locating Drive Plate, Driven Plate, Transmission Case And N-Spring
    G09001955Courtesy of NISSAN NORTH AMERICA, INC.
  16. Install reverse brake retaining plate to transmission case.
  17. Install snap ring to transmission case.
    CAUTION: Be careful not to damage snap ring.
    Fig 16: Installing Snap Ring
    G09001956Courtesy of NISSAN NORTH AMERICA, INC.
  18. Measure clearance between retaining plate and snap ring. If not within specified clearance, select proper retaining plate.

    Specified clearance "A" 

    Standard: Refer to  "REVERSE BRAKE CLEARANCE ".

    Retaining plate: Refer to  "REVERSE BRAKE CLEARANCE "

    Fig 17: Measuring Clearance Between Retaining Plate And Snap Ring
    G09001957Courtesy of NISSAN NORTH AMERICA, INC.
  19. Install needle bearing to transmission case.
    CAUTION: Check the direction of needle bearing. Refer to "LOCATION OF NEEDLE BEARINGS AND BEARING RACES ".
    Fig 18: Locating Transmission Case And Needle Bearing
    G09001958Courtesy of NISSAN NORTH AMERICA, INC.
  20. Install output speed sensor (1) to transmission case and tighten output speed sensor mounting bolt (←) to the specified torque.
    CAUTION:
    • Never subject it to impact by dropping or hitting it.
    • Never disassemble.
    • Never allow metal filings, etc. to get on the sensor's front edge magnetic area.
    • Never place in an area affected by magnetism.
    Fig 19: Locating Output Sensor Mounting Bolt
    G09001959Courtesy of NISSAN NORTH AMERICA, INC.
  21. As shown in the figure below, use the drift to drive rear oil seal into the rear extension (2WD) (A) or adapter case (AWD) (B) until it is flush.
    Fig 20: Driving Rear Oil Seal Into Rear Extension (2WD) Or Adapter Case (AWD) Using Drift
    G09001960Courtesy of NISSAN NORTH AMERICA, INC.
    CAUTION:
    • Never reuse rear oil seal.
    • Apply ATF to rear oil seal.
  22. Install return spring (1) to parking pawl (2).
    Fig 21: Identifying Return Spring And Parking Pawl
    G09001961Courtesy of NISSAN NORTH AMERICA, INC.
  23. Install parking pawl (with return spring) and pawl shaft to rear extension (2WD) or adapter case (AWD).
    Fig 22: Installing Parking Pawl And Pawl Shaft
    G09001962Courtesy of NISSAN NORTH AMERICA, INC.
  24. Install parking actuator support to rear extension (2WD) or adapter case (AWD).
    Fig 23: Installing Parking Actuator Support
    G09001963Courtesy of NISSAN NORTH AMERICA, INC.
  25. Install needle bearing (1) to rear extension (2WD) or adapter case (AWD).
    CAUTION: Check the direction of needle bearing. Refer to "LOCATION OF NEEDLE BEARINGS AND BEARING RACES ".
    Fig 24: Installing Needle Bearing
    G09001964Courtesy of NISSAN NORTH AMERICA, INC.
  26. Install rear extension assembly (2WD) or adapter case assembly (AWD) according to the following procedures.
    1. 2WD 
      1. Install seal rings (1) to output shaft.
        Fig 25: Installing Output Shaft Seal Rings
        G09001965Courtesy of NISSAN NORTH AMERICA, INC.
      2. Install parking gear (1) to output shaft (2).
        Fig 26: Installing Output Shaft Parking Gear
        G09001966Courtesy of NISSAN NORTH AMERICA, INC.
      3. Install output shaft to transmission case.
        CAUTION: Be careful not to mistake front for rear because both sides looks similar. (Thinner end is front side.)
        Fig 27: Installing Transmission Case Output Shaft
        G09001967Courtesy of NISSAN NORTH AMERICA, INC.
      4. Install bearing race to output shaft.
        Fig 28: Installing Output Shaft Bearing Race
        G09001968Courtesy of NISSAN NORTH AMERICA, INC.
      5. Apply recommended sealant (Genuine Anaerobic Liquid Gasket or equivalent. Refer to "RECOMMENDED CHEMICAL PRODUCTS AND SEALANTS ".) to rear extension assembly as shown in the figure below.

        Sealant starting point and endpoint (A): Start and finish point shall be in the center of two bolts. 

        Overlap width of sealant starting point and endpoint (B): 3 - 5 mm (0.12 - 0.20 in) 

        Sealant width (C): 1.0 - 2.0 mm (0.04 - 0.08 in) 

        Sealant height (C): 0.4 - 1.0 mm (0.016 - 0.04 in) 

        Fig 29: Locating Sealant Application Area On Rear Extension Assembly
        G09001969Courtesy of NISSAN NORTH AMERICA, INC.
        CAUTION: Completely remove all moisture, oil and old sealant, etc. from the transmission case and rear extension assembly mounting surfaces.
      6. Install rear extension assembly to transmission case.
        CAUTION: Insert the tip of parking rod between the parking pawl and the parking actuator support when assembling the rear extension assembly.
        Fig 30: Installing Rear Extension Assembly
        G09001970Courtesy of NISSAN NORTH AMERICA, INC.
      7. Tighten rear extension assembly bolts to the specified torque.
        Fig 31: Locating Rear Extension Assembly Mounting Bolts
        G09001971Courtesy of NISSAN NORTH AMERICA, INC.
    2. AWD 
      1. Install seal rings (1) to output shaft.
        Fig 32: Installing Output Shaft Seal Rings
        G09001972Courtesy of NISSAN NORTH AMERICA, INC.
      2. Install parking gear (1) to output shaft (2).
        Fig 33: Installing Output Shaft Parking Gear
        G09001973Courtesy of NISSAN NORTH AMERICA, INC.
      3. Install output shaft to transmission case.
        CAUTION: Be careful not to mistake front for rear because both sides looks similar. (Thinner end is front side.)
        Fig 34: Installing Transmission Case Output Shaft
        G09001974Courtesy of NISSAN NORTH AMERICA, INC.
      4. Install bearing race to output shaft.
        Fig 35: Installing Output Shaft Bearing Race
        G09001975Courtesy of NISSAN NORTH AMERICA, INC.
      5. Install gasket onto transmission case.
        CAUTION:
        • Completely remove all moisture, oil and old gasket, etc. from the transmission case and adapter case assembly mounting surfaces.
        • Never reuse gasket.
        Fig 36: Installing Transmission Case Gasket
        G09001976Courtesy of NISSAN NORTH AMERICA, INC.
      6. Install adapter case assembly to transmission case.
        CAUTION: Insert the tip of parking rod between the parking pawl and the parking actuator support when assembling the adapter case assembly.
        Fig 37: Installing Transmission Case Adapter Case Assembly
        G09001977Courtesy of NISSAN NORTH AMERICA, INC.
      7. Tighten adapter case assembly bolts to the specified torque.
        Fig 38: Locating Adapter Case Assembly Brackets And Mounting Bolts
        G09001978Courtesy of NISSAN NORTH AMERICA, INC.
  27. Install needle bearing to drum support.
    CAUTION: Check the direction of needle bearing. Refer to "LOCATION OF NEEDLE BEARINGS AND BEARING RACES ".
    Fig 39: Installing Needle Bearing And Drum Support
    G09001979Courtesy of NISSAN NORTH AMERICA, INC.
  28. Install direct clutch assembly to reverse brake.
    CAUTION: Make sure that drum support edge surface and direct clutch inner boss edge surface come to almost same place.
    Fig 40: Installing Direct Clutch Assembly
    G09001980Courtesy of NISSAN NORTH AMERICA, INC.
  29. Install high and low reverse clutch assembly to direct clutch.
    Fig 41: Installing High And Low Reverse Clutch Assembly
    G09001981Courtesy of NISSAN NORTH AMERICA, INC.
  30. Align the drive plate using a flat-bladed screwdriver.
    Fig 42: Aligning Drive Plate Using Flat-Bladed Screwdriver
    G09001982Courtesy of NISSAN NORTH AMERICA, INC.
  31. Install high and low reverse clutch hub, mid sun gear assembly, and rear sun gear assembly as a unit.
    Fig 43: Installing Rear And Mid Sun Gear Assembly
    G09001983Courtesy of NISSAN NORTH AMERICA, INC.
    CAUTION: Make sure that portion "A" of high and low reverse clutch drum protrudes approximately 2 mm (0.08 in) beyond portion "B" of rear sun gear.
    Fig 44: Installing High And Low Reverse Clutch Drum Protrudes Dimensions
    G09001984Courtesy of NISSAN NORTH AMERICA, INC.
  32. Install needle bearing to rear carrier assembly.
    CAUTION: Check the direction of needle bearing. Refer to "LOCATION OF NEEDLE BEARINGS AND BEARING RACES ".
    Fig 45: Installing Rear Carrier Assembly Needle Bearing
    G09001985Courtesy of NISSAN NORTH AMERICA, INC.
  33. Install bearing race to rear carrier assembly.
    CAUTION: Check the direction of needle bearing. Refer to "LOCATION OF NEEDLE BEARINGS AND BEARING RACES ".
    Fig 46: Installing Rear Carrier Assembly Bearing Race
    G09001986Courtesy of NISSAN NORTH AMERICA, INC.
  34. Install rear carrier assembly to direct clutch drum.
    Fig 47: Installing Rear Carrier Assembly
    G09001987Courtesy of NISSAN NORTH AMERICA, INC.
  35. Install needle bearing (rear side) to mid carrier assembly.
    CAUTION: Check the direction of needle bearing. Refer to "LOCATION OF NEEDLE BEARINGS AND BEARING RACES ".
    Fig 48: Installing Needle Bearing (Rear Side)
    G09001988Courtesy of NISSAN NORTH AMERICA, INC.
  36. Install needle bearing (front side) to mid carrier assembly.
    CAUTION: Check the direction of needle bearing. Refer to "LOCATION OF NEEDLE BEARINGS AND BEARING RACES ".
    Fig 49: Installing Mid Carrier Assembly Needle Bearing (Front Side)
    G09001989Courtesy of NISSAN NORTH AMERICA, INC.
  37. Install mid carrier assembly to rear carrier assembly.
    Fig 50: Locating Mid Carrier Assembly
    G09001990Courtesy of NISSAN NORTH AMERICA, INC.
  38. Install seal rings (1) to input clutch assembly.
    Fig 51: Installing Input Clutch Assembly Seal Rings
    G09001991Courtesy of NISSAN NORTH AMERICA, INC.
  39. Install needle bearing (1) to front carrier assembly.
    CAUTION: Check the direction of needle bearing. Refer to "LOCATION OF NEEDLE BEARINGS AND BEARING RACES ".
    Fig 52: Locating Front Carrier Assembly Needle Bearing
    G09001992Courtesy of NISSAN NORTH AMERICA, INC.
  40. Install input clutch assembly (with front carrier assembly and rear internal gear) (1) to transmission case.
    CAUTION: Check that the needle bearing (2) is securely positioned. If the needle bearing position is misaligned, adjust it to the specified position.
    Fig 53: Installing Input Clutch Assembly To Transmission Case
    G09001993Courtesy of NISSAN NORTH AMERICA, INC.
  41. Install 1st one-way clutch (1) to front brake hub (with under drive carrier) (2).
  42. Check operation of 1st one-way clutch.
    1. Hold 1st one-way clutch.
    2. Check front brake hub for correct locking and unlocking directions.
      CAUTION: If not shown in figure below, check installation direction of 1st one-way clutch.
    Fig 54: Checking operation Of 1st One-Way Clutch
    G09001994Courtesy of NISSAN NORTH AMERICA, INC.
  43. Install under drive carrier (with 1st one-way clutch) (1) to transmission case.
    Fig 55: Locating Under Drive Carrier
    G09001995Courtesy of NISSAN NORTH AMERICA, INC.
  44. Install snap ring (1) to transmission case.
    CAUTION: Be careful not to damage snap ring.
    Fig 56: Locating Transmission Case Snap Ring
    G09001996Courtesy of NISSAN NORTH AMERICA, INC.
  45. Install front brake component part (retaining plates, drive plates, and driven plate) to transmission case.
    Fig 57: Identifying Retaining Plate, Drive Plate And Driven Plate
    G09001997Courtesy of NISSAN NORTH AMERICA, INC.
    CAUTION: Check order of plates.
  46. Install needle bearing (1) to under drive carrier assembly.
    CAUTION: Check the direction of needle bearing. Refer to "LOCATION OF NEEDLE BEARINGS AND BEARING RACES ".
    Fig 58: Locating Drive Carrier Assembly Needle Bearing
    G09001998Courtesy of NISSAN NORTH AMERICA, INC.
  47. Install under drive sun gear (1) to under drive carrier assembly.
    Fig 59: Locating Drive Carrier Assembly Sun Gear
    G09001999Courtesy of NISSAN NORTH AMERICA, INC.
  48. Adjustment of total end play "T".
    • Measure clearance between bearing race (1) and oil pump cover (2).
    • Select proper thickness of bearing race so that end play is within specifications.
      Fig 60: Measuring Clearance Between Bearing Race And Oil Pump Cover
      G09002000Courtesy of NISSAN NORTH AMERICA, INC.
    1. Measure dimensions "K" and "L", and calculate dimension "J".
      Fig 61: Measuring Distance Between Transmission Case Oil Pump Fitting Surface And Under Drive Sun Gear Needle Bearing Mating Surface
      G09002001Courtesy of NISSAN NORTH AMERICA, INC.

      "J": Distance between the oil pump fitting surface of transmission case and the needle bearing mating surface of under drive sun gear. 

      J = K - L 

      1. Measure dimension "K" between the converter housing fitting surface of transmission case and the needle bearing mating surface of under drive sun gear.
        CAUTION:
        • Never change the straightedge (A) installation position before the completion of "L" measurement.
        • Measure dimension "K" in at least three places, and take the average.
        Fig 62: Measuring Dimension K Between Converter Housing Fitting Surface Of Transmission Case And Needle Bearing Mating Surface Of Under Drive Sun Gear
        G09002002Courtesy of NISSAN NORTH AMERICA, INC.
      2. Measure dimension "L" between the converter housing fitting surface of transmission case and the oil pump fitting surface of transmission case.
        CAUTION: Measure dimension "L" in at least three places, and take the average.
      3. Calculate dimension "J".

        J = K - L 

        Fig 63: Measuring Dimension L Between Transmission Case Converter Housing Fitting Surface And Oil Pump Fitting Surface
        G09002003Courtesy of NISSAN NORTH AMERICA, INC.
    2. Measure dimensions "M1" and "M2", and calculate dimension "M".
      Fig 64: Measuring Distance Between Transmission Case Fitting Surface Of Oil Pump And Needle Bearing
      G09002004Courtesy of NISSAN NORTH AMERICA, INC.

      "M": Distance between the transmission case fitting surface of oil pump and the needle bearing on oil pump. 

      M = M1-- M2 

      1. Place bearing race (1) and needle bearing (2) on oil pump assembly (3).
        Fig 65: Locating Bearing Race, Needle Bearing And Oil Pump Assembly
        G09002005Courtesy of NISSAN NORTH AMERICA, INC.
      2. Measure dimension "M1" between the transmission case fitting surface of oil pump and the end of oil pump.
        Fig 66: Measuring Dimension M1 Between Transmission Case Fitting Surface And End Of Oil Pump
        G09002006Courtesy of NISSAN NORTH AMERICA, INC.
        CAUTION: Measure dimension "M1" in at least three places, and take the average.
      3. Measure dimension "M2" between the needle bearing on oil pump and the end of oil pump.
        Fig 67: Measuring Dimension M2 Between Needle Bearing On And End Of Oil Pump
        G09002007Courtesy of NISSAN NORTH AMERICA, INC.
        CAUTION: Measure dimension "M2" in at least three places, and take the average.
      4. Calculate dimension "M".

        M = M1-- M2 

    3. Adjust total end play "T".
      Fig 68: Identifying Total End Play
      G09002008Courtesy of NISSAN NORTH AMERICA, INC.

      T = J - M 

      Total end play "T": Refer to  "TOTAL END PLAY ".

      • Select proper thickness of bearing race so that total end play is within specifications.

        Bearing races: Refer to  "TOTAL END PLAY ".

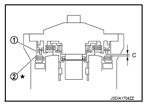
  49. Adjustment of front brake clearance "C".
    • Measure clearance between front brake piston (1) and front brake retaining plate (2).
    • Select proper thickness of front brake retaining plat so that clearance is within specifications.
      Fig 69: Measuring Clearance Between Front Brake Piston And Retaining Plate
      G09002009Courtesy of NISSAN NORTH AMERICA, INC.
    1. Measure dimensions "O" and "P", and calculate dimension "N".
      Fig 70: Measuring Distance Between Oil Pump Fitting Surface Of Transmission Case And Front Brake Retaining Plate
      G09002010Courtesy of NISSAN NORTH AMERICA, INC.

      "N": Distance between the oil pump fitting surface of transmission case and the front brake retaining plate. 

      N = O - P 

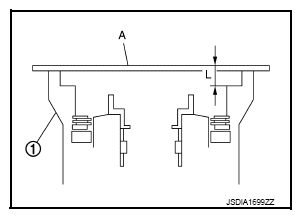
      1. Measure dimension "O" between the converter housing fitting surface of transmission case and the front brake retaining plate.
        Fig 71: Measuring Dimension O Between Converter Housing Fitting Surface Of Transmission Case And Front Brake Retaining Plate
        G09002011Courtesy of NISSAN NORTH AMERICA, INC.
        CAUTION:
        • Never change the straightedge (A) installation position before the completion of "P" measurement.
        • Measure dimension "O" in at least three places, and take the average.
      2. Measure dimension "P" between the converter housing fitting surface of transmission case and the oil pump fitting surface of transmission case.
        Fig 72: Measuring Dimension P Between Converter Housing Fitting Surface And Oil Pump Fitting Surface Of Transmission Case
        G09002012Courtesy of NISSAN NORTH AMERICA, INC.
        CAUTION: Measure dimension "P" in at least three places, and take the average.
      3. Calculate dimension "N".

        N = O - P 

    2. Measure dimensions "Q1" and "Q2", and calculate dimension "Q".
      Fig 73: Measuring Distance Between Transmission Case Fitting Surface Of Oil Pump And Front Brake Piston
      G09002013Courtesy of NISSAN NORTH AMERICA, INC.

      "Q": Distance between the transmission case fitting surface of oil pump and the front brake piston. 

      Q = Q1-- Q2 

      1. Measure dimension "Q1" between the transmission case fitting surface of oil pump and the straightedge on front brake piston.
        Fig 74: Measuring Dimension Q1 Between Transmission Case Fitting Surface Of Oil Pump And Straightedge On Front Brake Piston
        G09002014Courtesy of NISSAN NORTH AMERICA, INC.
        CAUTION: Measure dimension "Q1" in at least three places, and take the average.
      2. Measure dimension "Q2" of the straightedge.
        Fig 75: Measuring Dimension Q2 Of Straightedge
        G09002015Courtesy of NISSAN NORTH AMERICA, INC.
      3. Calculate dimension "Q".

        Q = Q1-- Q2 

    3. Adjust front brake clearance "C".
      Fig 76: Identifying Front Brake Clearance C
      G09002016Courtesy of NISSAN NORTH AMERICA, INC.

      C = N - Q 

      Front brake clearance "C": Refer to  "FRONT BRAKE CLEARANCE ".

      • Select proper thickness of retaining plate so that front brake clearance is within specifications.

        Retaining plate: Refer to  "FRONT BRAKE CLEARANCE ".

  50. Remove under drive sun gear (1) from under drive carrier assembly.
    Fig 77: Locating Under Drive Sun Gear And Under Drive Carrier Assembly
    G09002017Courtesy of NISSAN NORTH AMERICA, INC.
  51. Install needle bearing (1) to under drive sun gear.
    CAUTION: Check the direction of needle bearing. Refer to "LOCATION OF NEEDLE BEARINGS AND BEARING RACES ".
    Fig 78: Installing Needle Bearing To Drive Sun Gear
    G09002018Courtesy of NISSAN NORTH AMERICA, INC.
  52. Install O-ring (1) to oil pump assembly.
    Fig 79: Installing Oil Pump Assembly O-Ring
    G09002019Courtesy of NISSAN NORTH AMERICA, INC.
  53. Install seal ring (1) to oil pump assembly.
    Fig 80: Installing Oil Pump Assembly Seal Ring
    G09002020Courtesy of NISSAN NORTH AMERICA, INC.
  54. Install bearing race (1) to oil pump assembly.
    Fig 81: Installing Oil Pump Assembly Bearing Race
    G09002021Courtesy of NISSAN NORTH AMERICA, INC.
  55. Install under drive sun gear (with needle bearing) (1) to oil pump assembly (2).
    Fig 82: Installing Under Drive Sun Gear To Oil Pump Assembly
    G09002022Courtesy of NISSAN NORTH AMERICA, INC.
  56. Install oil pump assembly (with under drive sun gear) to transmission case.
    CAUTION: Apply ATF to oil pump bearing.
    Fig 83: Installing Oil Pump Assembly
    G09002023Courtesy of NISSAN NORTH AMERICA, INC.
  57. Apply recommended sealant to oil pump assembly as shown in the figure.
    Fig 84: Applying Sealant To Oil Pump Assembly
    G09002024Courtesy of NISSAN NORTH AMERICA, INC.
    CAUTION: Completely remove all moisture, oil and old sealant, etc. from the oil pump mounting bolts and oil pump mounting bolt mounting surfaces.
  58. Tighten oil pump bolts (←) to the specified torque.
    Fig 85: Locating Oil Pump Assembly And Transmission Case Mounting Bolts
    G09002025Courtesy of NISSAN NORTH AMERICA, INC.
  59. Install O-ring to input clutch assembly.
    Fig 86: Locating Input Clutch Assembly O-Ring
    G09002026Courtesy of NISSAN NORTH AMERICA, INC.
  60. Install converter housing to transmission case, and tighten converter housing bolts (←) to the specified torque.
    Fig 87: Locating Converter Housing And Transmission Case Mounting Bolts
    G09002027Courtesy of NISSAN NORTH AMERICA, INC.
  61. Connect TCM connector (A) to joint connector.
    Fig 88: Connecting TCM Connector To Joint Connector
    G09002028Courtesy of NISSAN NORTH AMERICA, INC.
  62. Install joint connector (1) to the control valve & TCM.
    CAUTION: Apply ATF to O-ring of joint connector.
    Fig 89: Installing Joint Connector To Control Valve & TCM
    G09002029Courtesy of NISSAN NORTH AMERICA, INC.
  63. Install the control valve & TCM (1) to transmission case.
    Fig 90: Installing Control Valve & TCM
    G09002030Courtesy of NISSAN NORTH AMERICA, INC.
    CAUTION:
    • Make sure that input speed sensor securely installs input speed sensor holes (A).
    • Hang down output speed sensor harness toward outside so as not to disturb installation of the control valve & TCM.
    • Adjust joint connector of the control valve & TCM to terminal hole of transmission case.
      Fig 91: Locating Input Speed Sensor Holes
      G09002031Courtesy of NISSAN NORTH AMERICA, INC.
    • Assemble it so that manual valve cutout is engaged with manual plate projection.
      Fig 92: Locating Manual Plate And Valve
      G09002032Courtesy of NISSAN NORTH AMERICA, INC.
  64. Install bolts and clip (1) to the control valve & TCM. Tighten bolt (E) to the specified torque before tightening the other than bolts.
    Fig 93: Locating Control Valve & TCM Mounting Bolts And Clips
    G09002033Courtesy of NISSAN NORTH AMERICA, INC.
    Bolt symbol Length mm (in) Number of bolts
    A 43 (1.69) 3
    B 40 (1.57) 2
    C 54 (2.13) 6
    D 50 (1.97) 2
    E(1) 50 (1.97) 1
    (1) Reamer bolt
  65. Connect output speed sensor connector (A).
  66. Engage output speed sensor harness with terminal clips (←).
    Fig 94: Locating Output Speed Sensor Connector And Terminal Clips
    G09002034Courtesy of NISSAN NORTH AMERICA, INC.
  67. Pull down joint connector (1).
    CAUTION: Be careful not to damage connector.
    Fig 95: Pulling Joint Connector
    G09002035Courtesy of NISSAN NORTH AMERICA, INC.
  68. Install snap ring (1) to joint connector (2).
    Fig 96: Installing Joint Connector Snap Ring
    G09002036Courtesy of NISSAN NORTH AMERICA, INC.
  69. Install magnets (1) to oil pan.
  70. Install oil pan gasket to transmission case.
    CAUTION:
    • Never reuse oil pan gasket.
    • Install it in the direction to align hole positions.
    • Completely remove all moisture, oil and old gasket, etc. from oil pan gasket mounting surface.
    Fig 97: Locating Oil Pan Magnets
    G09002037Courtesy of NISSAN NORTH AMERICA, INC.
  71. Install oil pan (2) and clips (1) to transmission case.
    Fig 98: Locating Oil Pan Mounting Bolts
    G09002038Courtesy of NISSAN NORTH AMERICA, INC.
    CAUTION:
    • Be careful not to pinch harnesses.
    • Completely remove all moisture, oil and old gasket, etc. from oil pan mounting surface.
  72. Tighten oil pan mounting bolts to the specified torque in numerical order shown in the figure below, after temporarily tightening them. Tighten oil pan mounting bolts to the specified torque.
    Fig 99: Oil Pan Mounting Bolts Tightening Sequence
    G09002039Courtesy of NISSAN NORTH AMERICA, INC.
    CAUTION: Never reuse oil pan mounting bolts.
  73. Install drain plug to oil pan. Tighten drain plug to the specified torque.
    CAUTION: Never reuse drain plug gasket.
  74. Pour ATF into torque converter.
    • Approximately 2 liter (2-1/8 US qt, 1-3/4 lmp qt) of ATF is required for a new torque converter. 
    • When reusing old torque converter, add the same amount of ATF as was drained. 
      Fig 100: Pouring ATF Into Torque Converter
      G09002040Courtesy of NISSAN NORTH AMERICA, INC.
  75. Install torque converter while aligning notches of torque converter with notches of oil pump.
    CAUTION: Install torque converter while rotating it.
    Fig 101: Installing Torque Converter
    G09002041Courtesy of NISSAN NORTH AMERICA, INC.
  76. Measure dimension "A" to make sure that torque converter is in proper position.
    Fig 102: Measuring Torque Converter Dimension "A" Using Scale And Straightedge
    G09002042Courtesy of NISSAN NORTH AMERICA, INC.

    Dimension "A": Refer to  "TORQUE CONVERTER ".