lemon-mirror:
Home >> Infiniti >> 2013 >> M56 Base >> Repair and Diagnosis >> Engine Performance >> Testing & Diagnosis >> Engine Control System (Introduction) >> Wiring Diagram >> Engine Control System >> Wiring Diagram

Engine Control System: Wiring Diagram

For connector terminal arrangements, harness layouts, and letters in a "diamond shaped" symbol (option abbreviation; if not described in wiring diagram), refer to "CONNECTOR INFORMATION ".

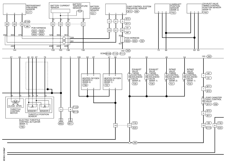
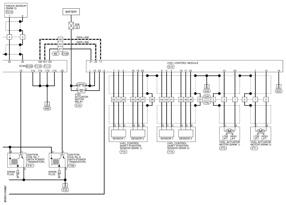
Fig 1: Engine Control System (VK56VD) Wiring Diagram (1 Of 8)
G08897104Courtesy of NISSAN NORTH AMERICA, INC.
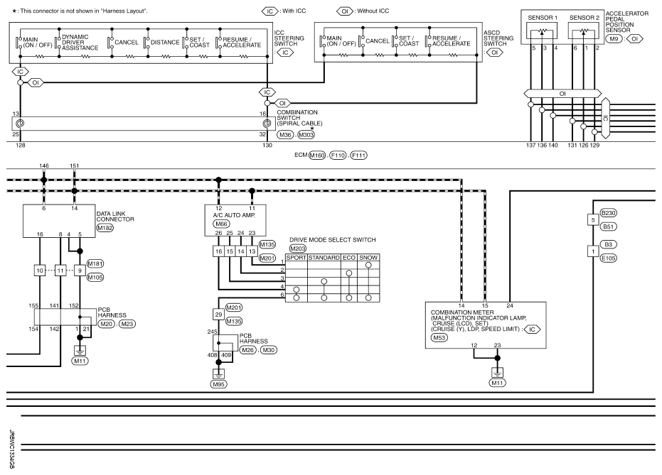
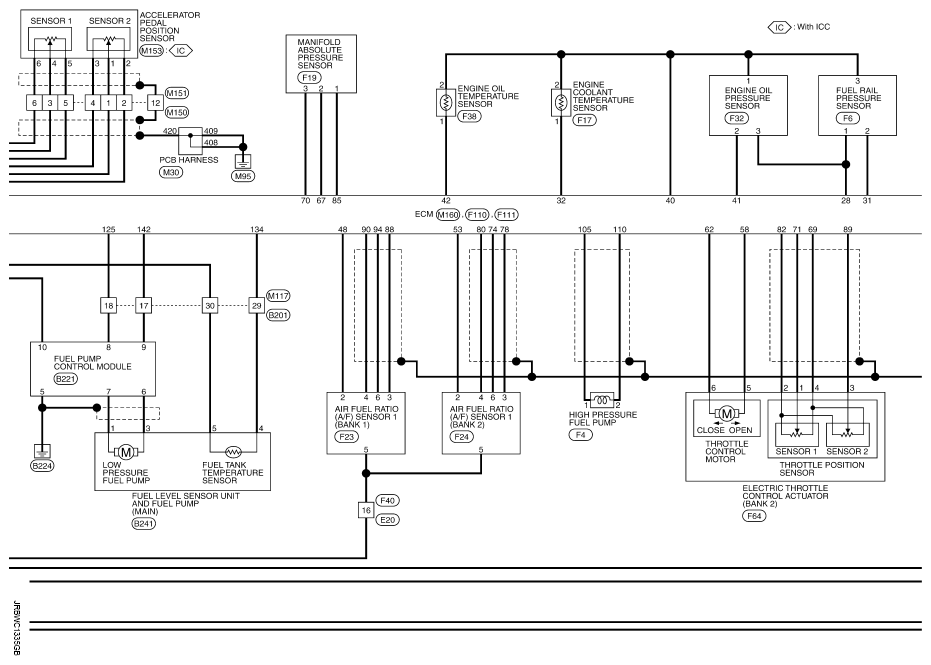
Fig 2: Engine Control System (VK56VD) Wiring Diagram (2 Of 8)
G08897105Courtesy of NISSAN NORTH AMERICA, INC.
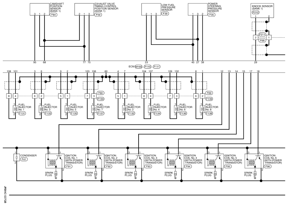
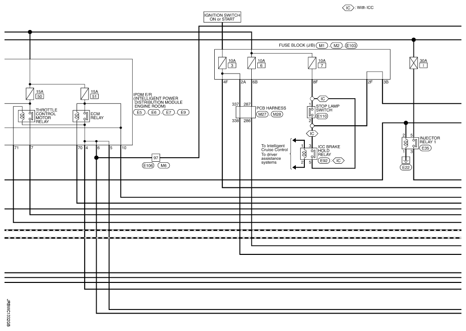
Fig 3: Engine Control System (VK56VD) Wiring Diagram (3 Of 8)
G08897106Courtesy of NISSAN NORTH AMERICA, INC.
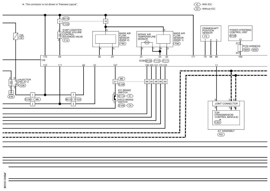
Fig 4: Engine Control System (VK56VD) Wiring Diagram (4 Of 8)
G08897107Courtesy of NISSAN NORTH AMERICA, INC.
Fig 5: Engine Control System (VK56VD) Wiring Diagram (5 Of 8)
G08897108Courtesy of NISSAN NORTH AMERICA, INC.
Fig 6: Engine Control System (VK56VD) Wiring Diagram (6 Of 8)
G08897109Courtesy of NISSAN NORTH AMERICA, INC.
Fig 7: Engine Control System (VK56VD) Wiring Diagram (7 Of 8)
G08897110Courtesy of NISSAN NORTH AMERICA, INC.
Fig 8: Engine Control System (VK56VD) Wiring Diagram (8 Of 8)
G08897111Courtesy of NISSAN NORTH AMERICA, INC.