lemon-mirror:
Home >> Infiniti >> 2014 >> QX80 RWD >> Repair and Diagnosis >> Transmission >> Automatic Transmission >> Unit Disassembly And Assembly >> Transmission Assembly >> Exploded View >> 2WD Models

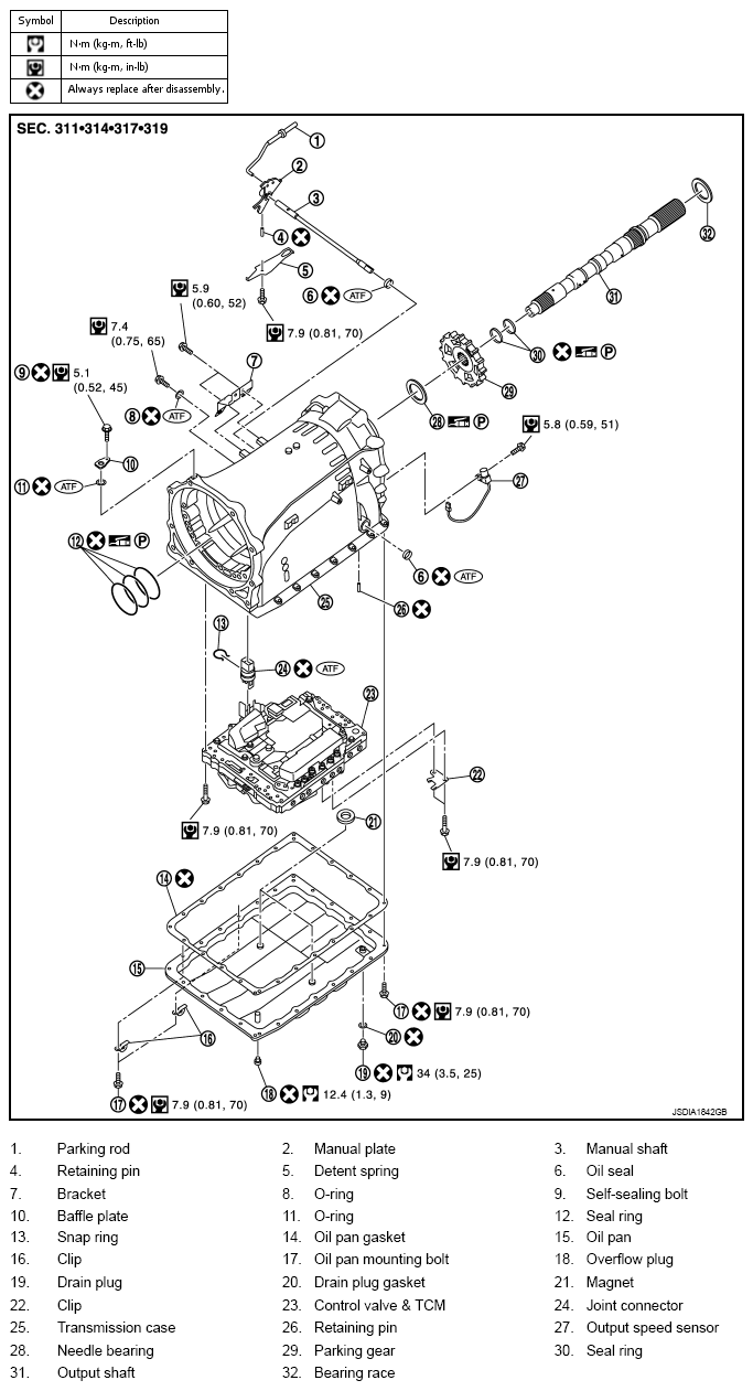
2WD Models

Fig 1: Exploded View Of Transmission Assembly (2WD Models)
G09178332Courtesy of NISSAN NORTH AMERICA, INC.

Refer to "COMPONENTS " for symbols not described on the above.

Fig 2: Identifying Transmission Assembly Related Components (1 Of 2)
G09178333Courtesy of NISSAN NORTH AMERICA, INC.

Refer to "COMPONENTS " for symbols not described on the above.

Fig 3: Identifying Transmission Assembly Related Components (2 Of 2)
G09178334Courtesy of NISSAN NORTH AMERICA, INC.

Refer to "COMPONENTS " for symbols in the figure.

Fig 4: Transmission Assembly Related Replacement Components With Torque Specifications (1 Of 2)
G09178335Courtesy of NISSAN NORTH AMERICA, INC.

Refer to "COMPONENTS " for symbols in the figure.

Fig 5: Transmission Assembly Related Replacement Components With Torque Specifications (2 Of 2)
G09178336Courtesy of NISSAN NORTH AMERICA, INC.

Refer to "COMPONENTS " for symbols in the figure.