lemon-mirror:
Home >> Infiniti >> 2014 >> QX80 RWD >> Repair and Diagnosis >> Transmission >> Automatic Transmission >> Unit Disassembly And Assembly >> Transmission Assembly >> Exploded View >> 4WD Models

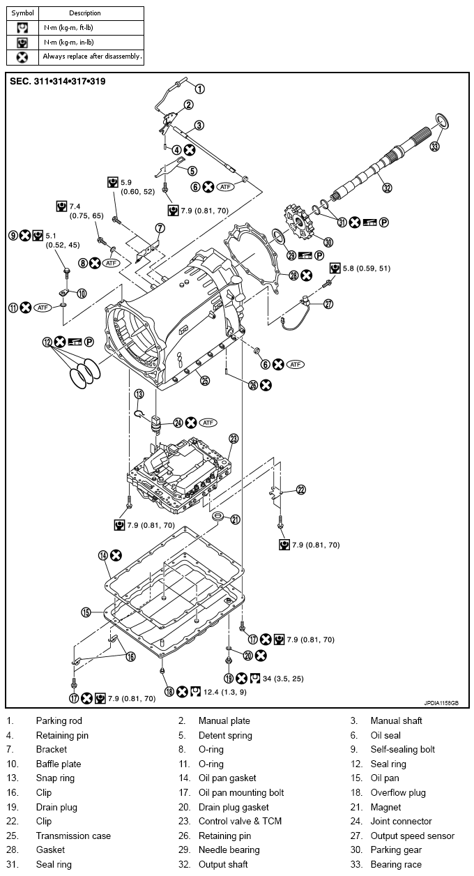
4WD Models

Fig 1: Transmission Assembly Related Replacement Components With Torque Specifications (4WD Models; 1 Of 3)
G09178337Courtesy of NISSAN NORTH AMERICA, INC.

Refer to "COMPONENTS " for symbols not described on the above.

Fig 2: Identifying Transmission Assembly Related Components (4WD Models; 2 Of 3)
G09178338Courtesy of NISSAN NORTH AMERICA, INC.

Refer to "COMPONENTS " for symbols not described on the above.

Fig 3: Identifying Transmission Assembly Related Components (4WD Models; 3 Of 3)
G09178339Courtesy of NISSAN NORTH AMERICA, INC.

Refer to "COMPONENTS " for symbols in the figure.

Fig 4: Transmission Assembly Related Replacement Components With Torque Specifications (4WD Models; 1 Of 2)
G09178340Courtesy of NISSAN NORTH AMERICA, INC.

Refer to "COMPONENTS " for symbols in the figure.

Fig 5: Transmission Assembly Related Replacement Components With Torque Specifications (4WD Models; 2 Of 2)
G09178341Courtesy of NISSAN NORTH AMERICA, INC.

Refer to "COMPONENTS " for symbols in the figure.