lemon-mirror:
Home >> Infiniti >> 2015 >> Q40 AWD >> Repair and Diagnosis >> Body & Frame >> Door Locks >> Security Control System >> DTC/Circuit Diagnosis >> Intelligent Key System/Engine Start Function >> Intelligent Key System/Engine Start Function Wiring Diagram

Intelligent Key System/Engine Start Function Wiring Diagram

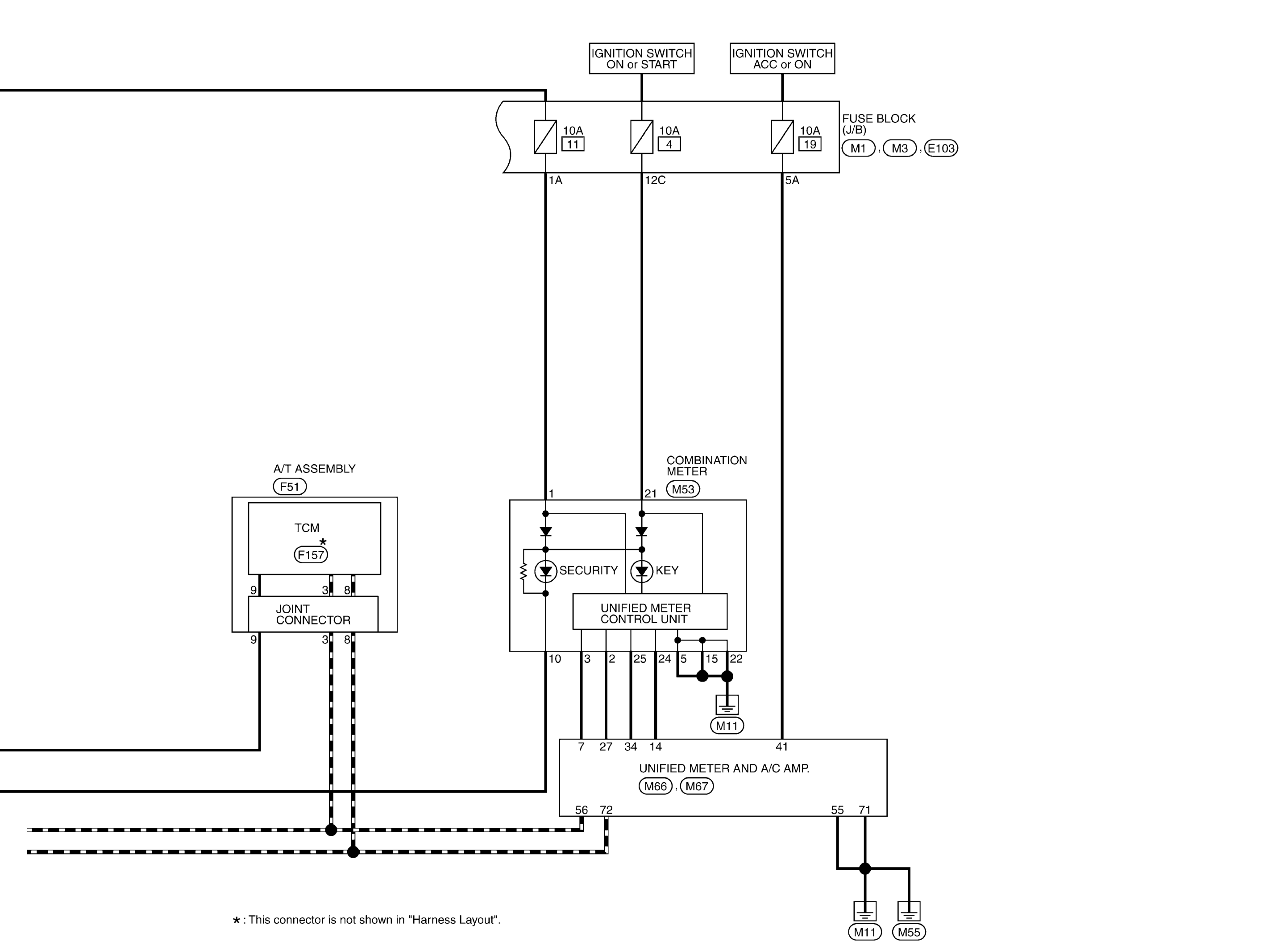
Fig 1: Intelligent Key System/Engine Start Function Wiring Diagram (1 Of 3)
GNSJRKWD7577GB-577Courtesy of NISSAN NORTH AMERICA, INC.
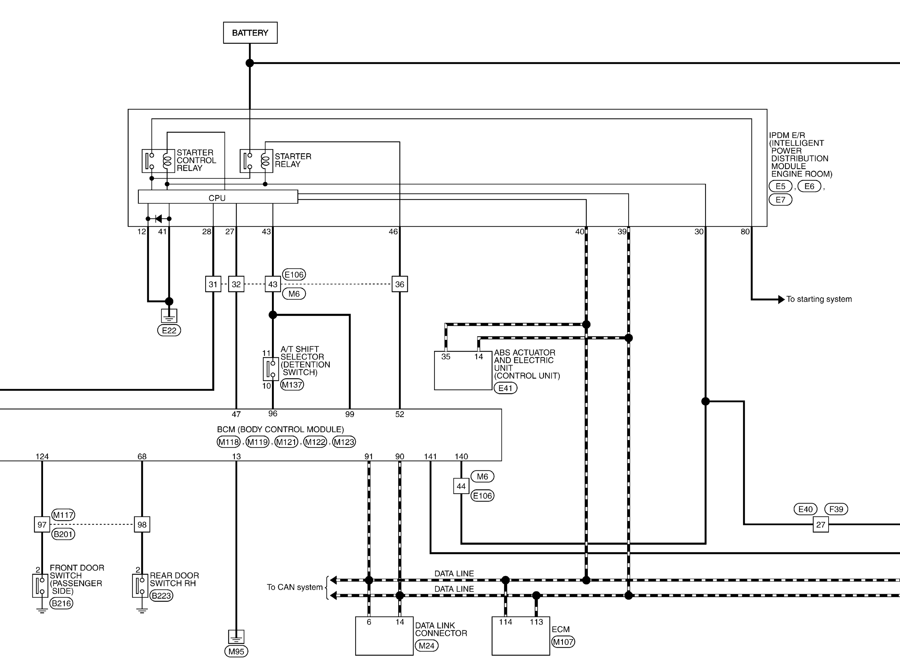
Fig 2: Intelligent Key System/Engine Start Function Wiring Diagram (2 Of 3)
GNSJRKWD7578GB-578Courtesy of NISSAN NORTH AMERICA, INC.
Fig 3: Intelligent Key System/Engine Start Function Wiring Diagram (3 Of 3)
GNSJRKWD7579GB-579Courtesy of NISSAN NORTH AMERICA, INC.