lemon-mirror:
Home >> Infiniti >> 2015 >> QX70 AWD >> Repair and Diagnosis >> Body & Frame >> Door Locks >> Security Control System >> DTC/Circuit Diagnosis >> Intelligent Key System/Engine Start Function >> Wiring Diagram - Intelligent Key System/Engine Start Function

Wiring Diagram - Intelligent Key System/Engine Start Function

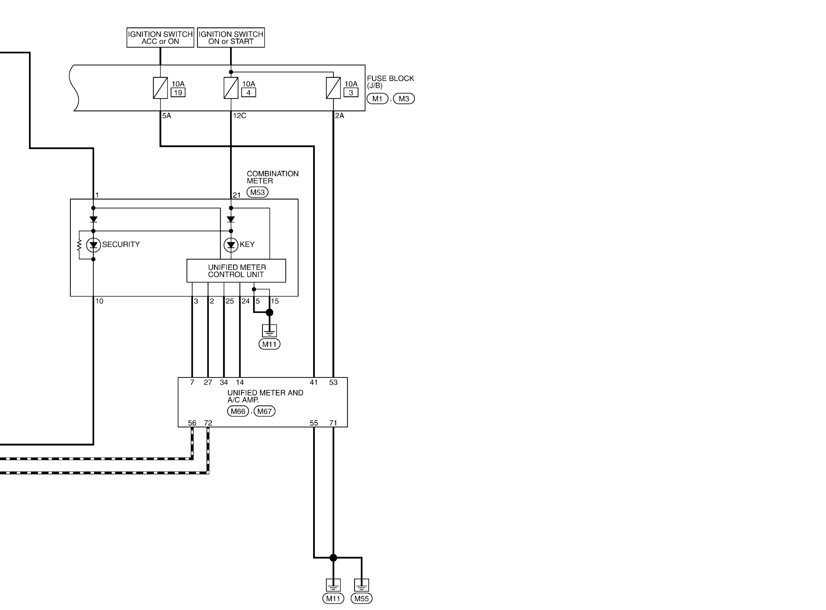
Fig 1: Intelligent Key System/Engine Start Function (1 Of 3)
GNSJRKWD4754GB-754Courtesy of NISSAN NORTH AMERICA, INC.
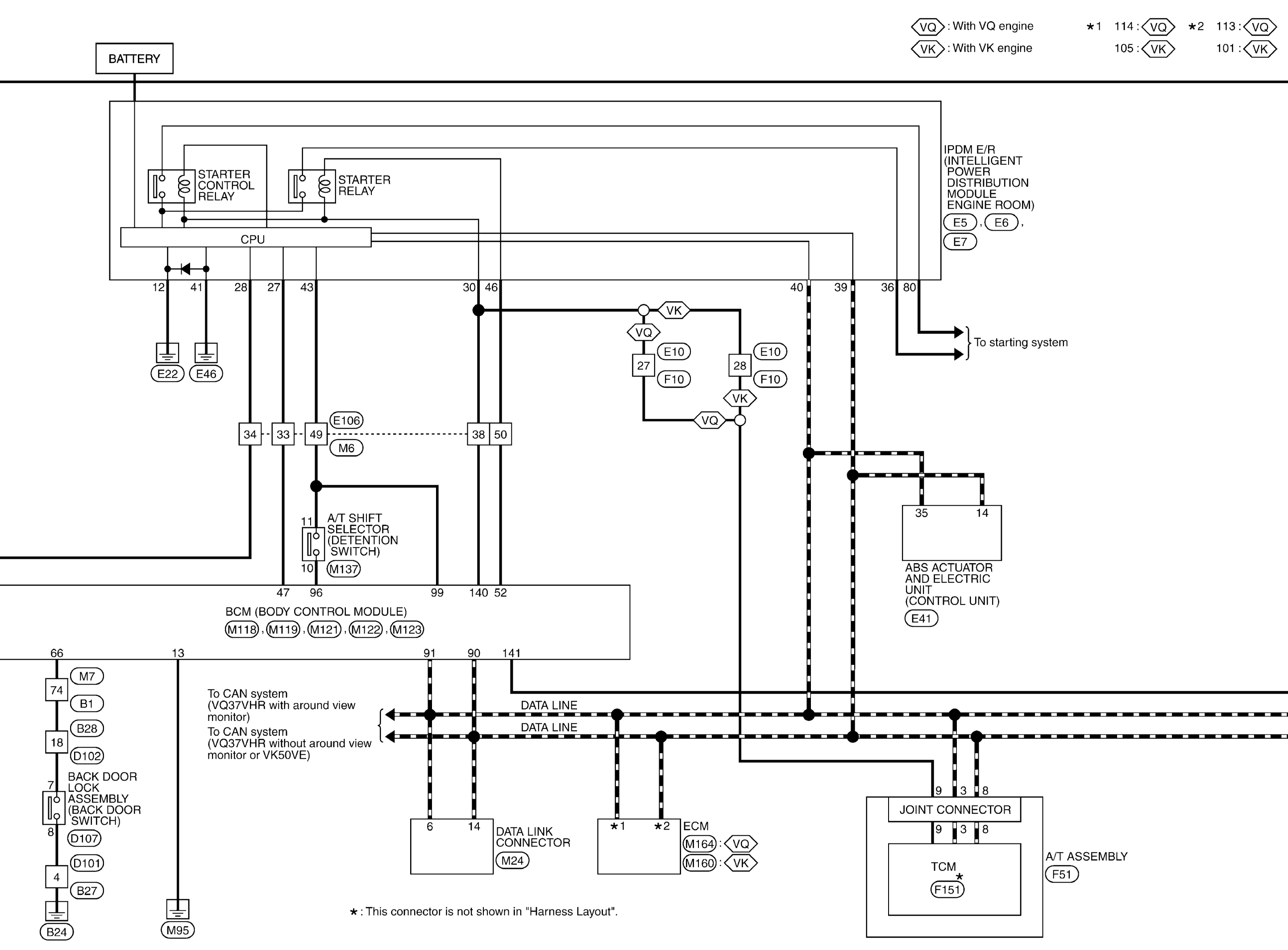
Fig 2: Intelligent Key System/Engine Start Function (2 Of 3)
GNSJRKWD4755GB-755Courtesy of NISSAN NORTH AMERICA, INC.
Fig 3: Intelligent Key System/Engine Start Function (3 Of 3)
GNSJRKWD4756GB-756Courtesy of NISSAN NORTH AMERICA, INC.
Fig 4: Intelligent Key System/Engine Start Function Connector End Views (1 Of 10)
GNSJRKWD4757GB-757Courtesy of NISSAN NORTH AMERICA, INC.
Fig 5: Intelligent Key System/Engine Start Function Connector End Views (2 Of 10)
GNSJRKWD4758GB-758Courtesy of NISSAN NORTH AMERICA, INC.
Fig 6: Intelligent Key System/Engine Start Function Connector End Views (3 Of 10)
GNSJRKWD4759GB-759Courtesy of NISSAN NORTH AMERICA, INC.
Fig 7: Intelligent Key System/Engine Start Function Connector End Views (4 Of 10)
GNSJRKWD4760GB-760Courtesy of NISSAN NORTH AMERICA, INC.
Fig 8: Intelligent Key System/Engine Start Function Connector End Views (5 Of 10)
GNSJRKWD4761GB-761Courtesy of NISSAN NORTH AMERICA, INC.
Fig 9: Intelligent Key System/Engine Start Function Connector End Views (6 Of 10)
GNSJRKWD4762GB-762Courtesy of NISSAN NORTH AMERICA, INC.
Fig 10: Intelligent Key System/Engine Start Function Connector End Views (7 Of 10)
GNSJRKWD4763GB-763Courtesy of NISSAN NORTH AMERICA, INC.
Fig 11: Intelligent Key System/Engine Start Function Connector End Views (8 Of 10)
GNSJRKWD4764GB-764Courtesy of NISSAN NORTH AMERICA, INC.
Fig 12: Intelligent Key System/Engine Start Function Connector End Views (9 Of 10)
GNSJRKWD4765GB-765Courtesy of NISSAN NORTH AMERICA, INC.
Fig 13: Intelligent Key System/Engine Start Function Connector End Views (10 Of 10)
GNSJRKWD4766GB-766Courtesy of NISSAN NORTH AMERICA, INC.