lemon-mirror:
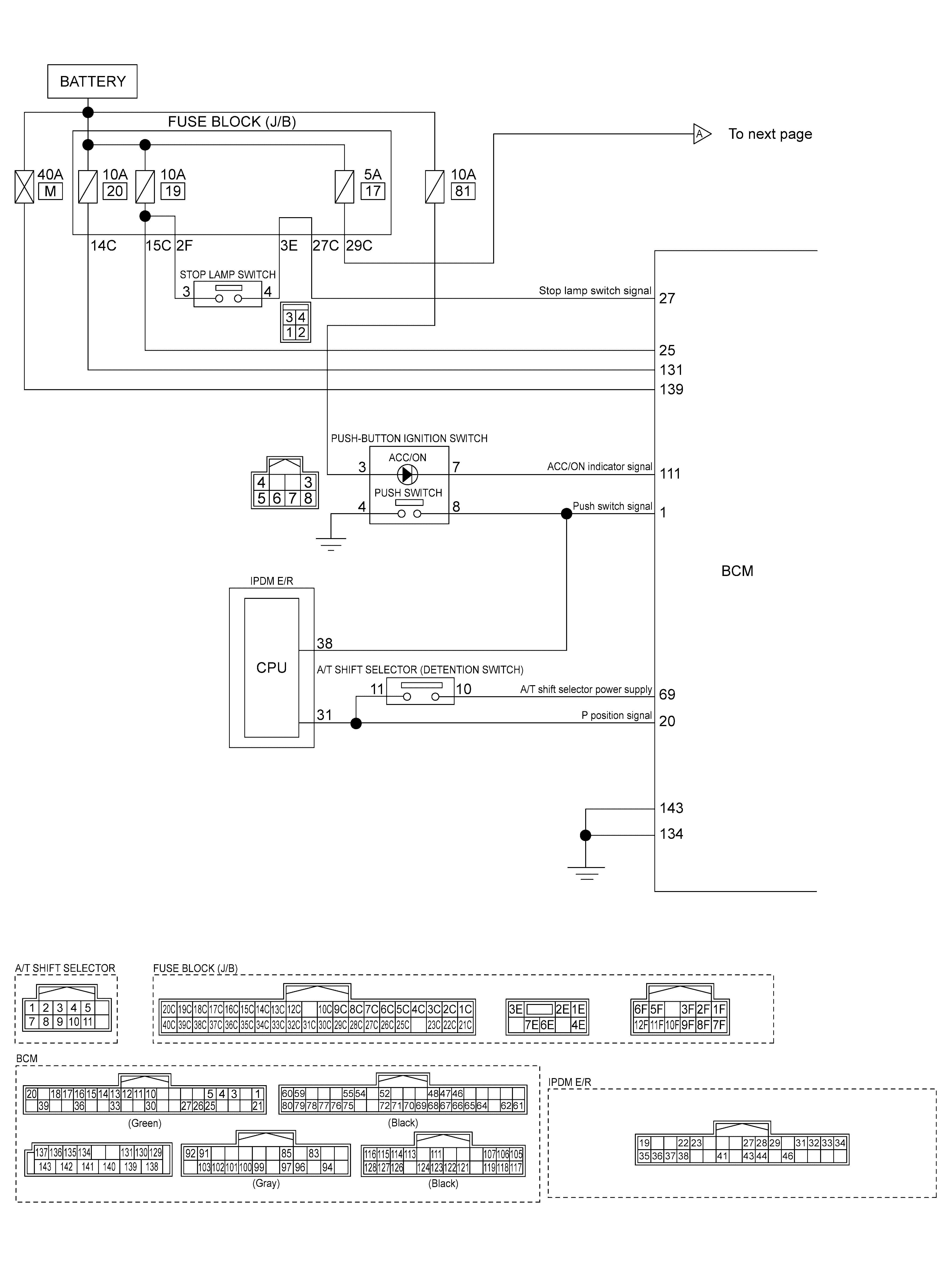
Home >> Infiniti >> 2017 >> Q60 Base, AWD >> Repair and Diagnosis >> Body & Frame >> Door Locks >> Security Control System >> System Description >> System >> Intelligent Key System/Engine Start Function >> Circuit Diagram >> For 2.0L Turbo Gasoline Engine Models

For 2.0L Turbo Gasoline Engine Models

GNSJMKIB6819GB-819Courtesy of NISSAN NORTH AMERICA, INC.
GNSJMKIB6818GB-818Courtesy of NISSAN NORTH AMERICA, INC.