lemon-mirror:
Home >> Infiniti >> 2017 >> QX30 Base >> Repair and Diagnosis >> Body & Frame >> Door Locks >> Security Control System >> System Description >> System >> Vehicle Security System >> Circuit Diagram

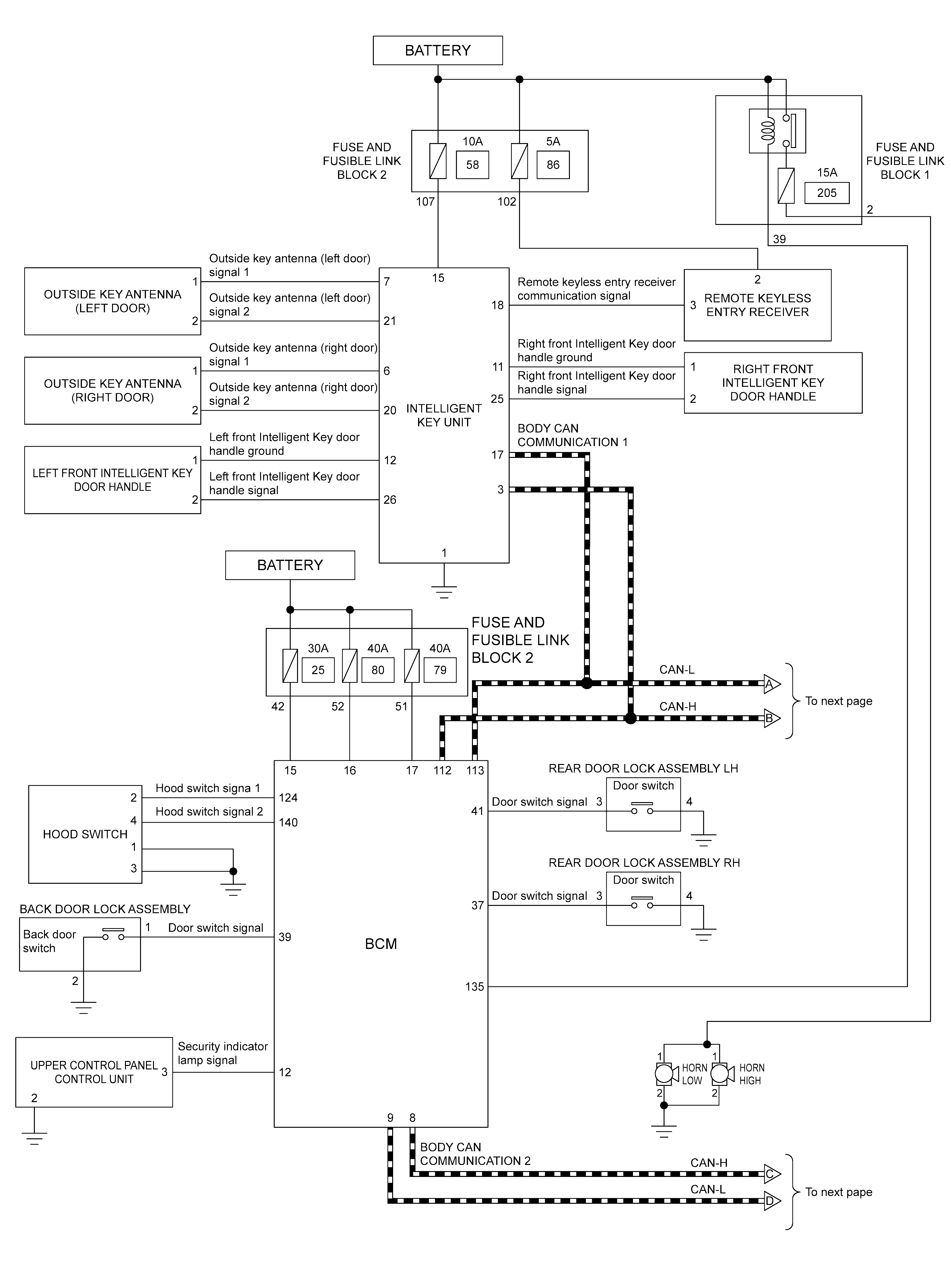
Circuit Diagram

GNSJMKIB6679GB-679Courtesy of NISSAN NORTH AMERICA, INC.
GNSJMKIB6678GB-678Courtesy of NISSAN NORTH AMERICA, INC.