lemon-mirror:
Home >> Infiniti >> 2017 >> QX50 AWD >> Repair and Diagnosis >> Electrical >> Gauges >> Instrument Panel >> Removal And Installation >> Center Console Assembly >> Exploded View With Torque Specifications

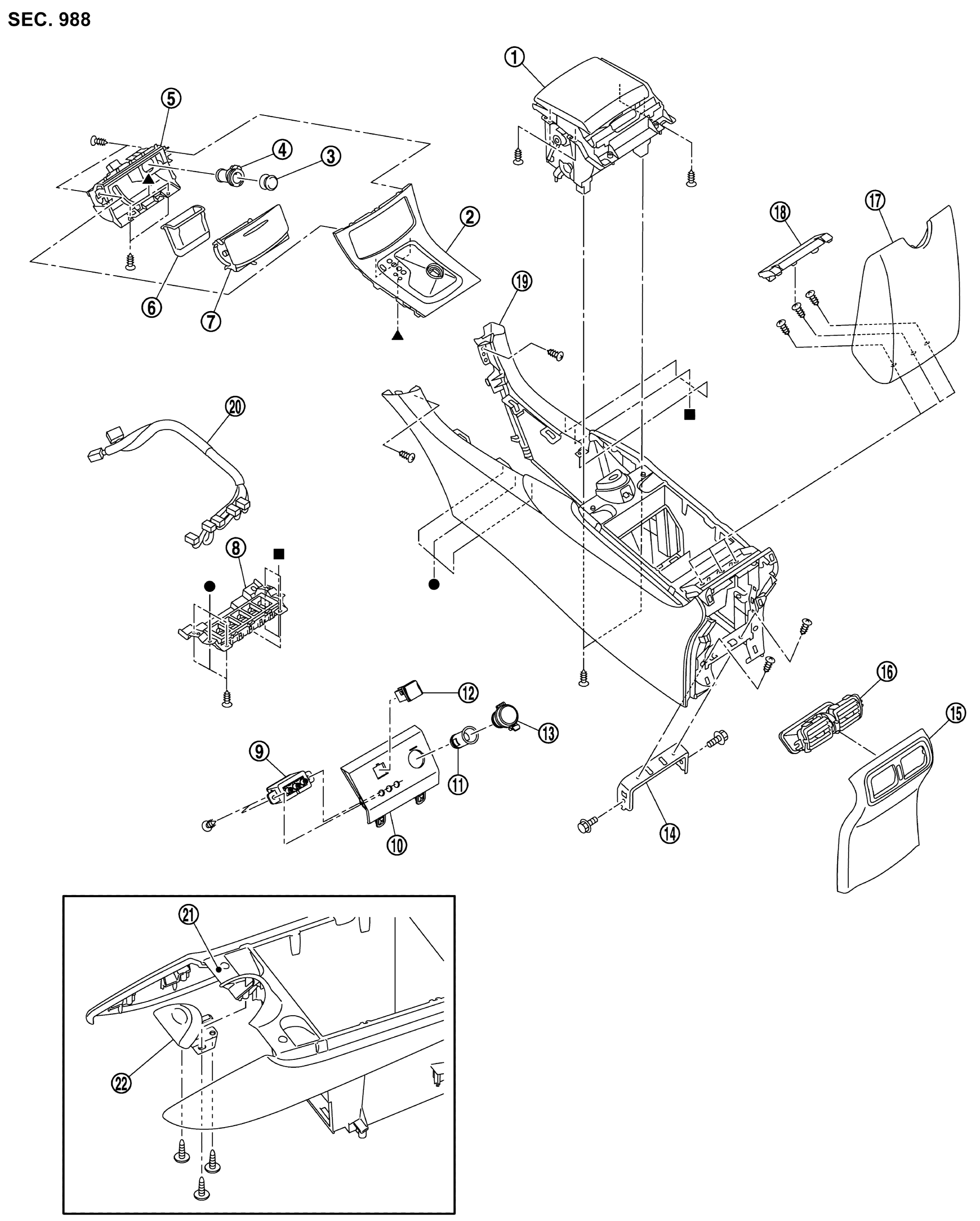
Exploded View With Torque Specifications

GNSJSJIA1252ZZ-252Courtesy of NISSAN NORTH AMERICA, INC.
1. Cup holder assembly 2. Console finisher assembly 3. Socket knob
4. Socket inner case 5. Pocket 6. Inner ashtray
7. Ashtray lid 8. Switch panel 9. Auxiliary input jack
10. Console center finisher 11. Socket inner case 12. USB connector
13. Socket knob 14. Console bracket 15. Console rear finisher
16. Rear ventilator grille 17. Console lid assembly 18. Console mask
19. Center console assembly 20. Console sub harness 21. Console box
22. Console lid release button        
CIR-B , SQUARE-B , UTRIF : Indicates that the part is connected at points with same symbol in actual vehicle.