lemon-mirror:
Home >> Infiniti >> 2018 >> QX60 AWD >> Repair and Diagnosis >> Electrical >> Starter >> Starting System >> System Description >> Starting System >> System Diagram

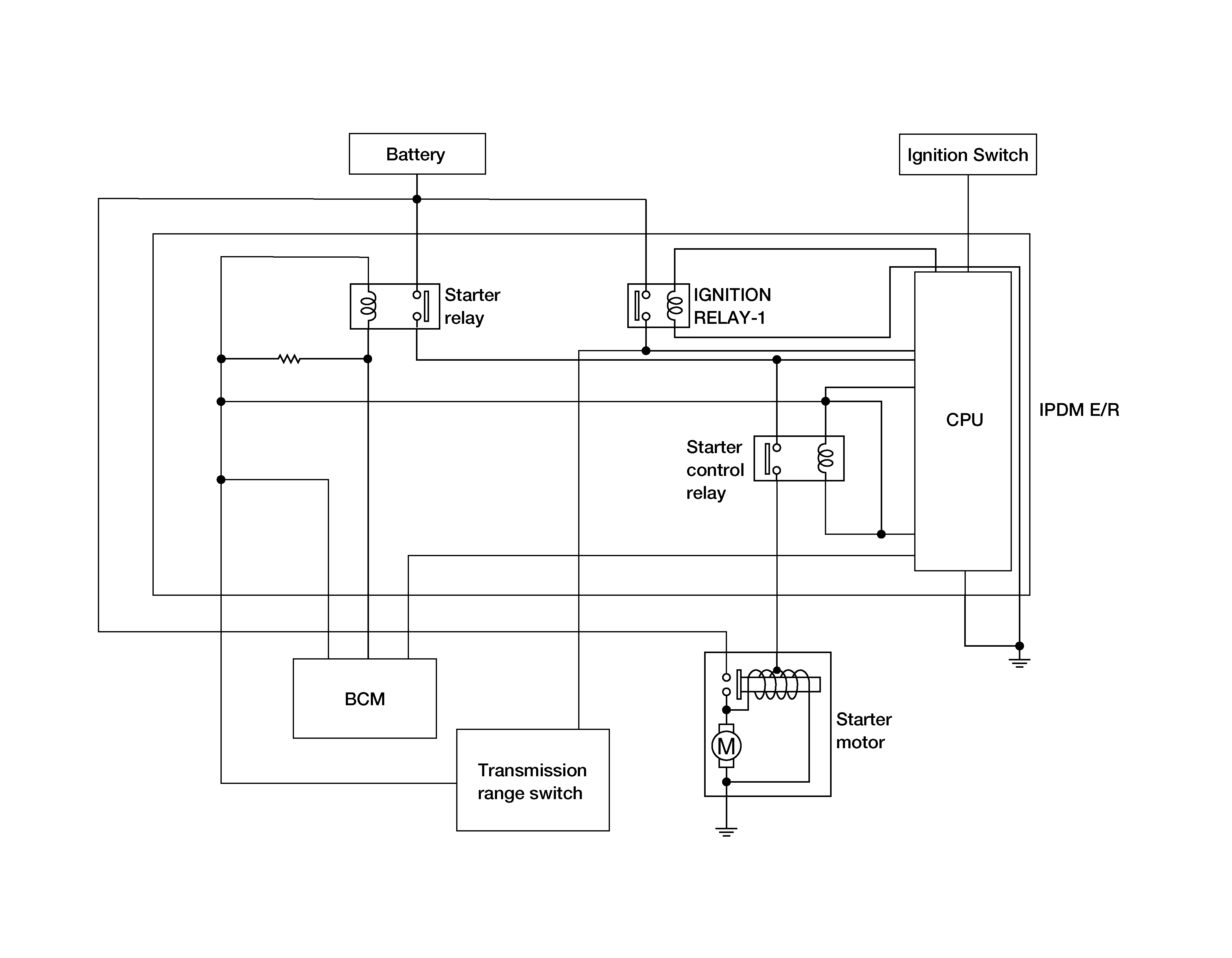
System Diagram

GNSAWBIA2907GB-907Courtesy of NISSAN NORTH AMERICA, INC.