lemon-mirror:
Home >> Infiniti >> 2019 >> QX30 Pure >> Repair and Diagnosis >> Transmission >> Automatic Trans >> Automatic Transmission >> System Description >> System >> Transmission Control System >> Circuit Diagram

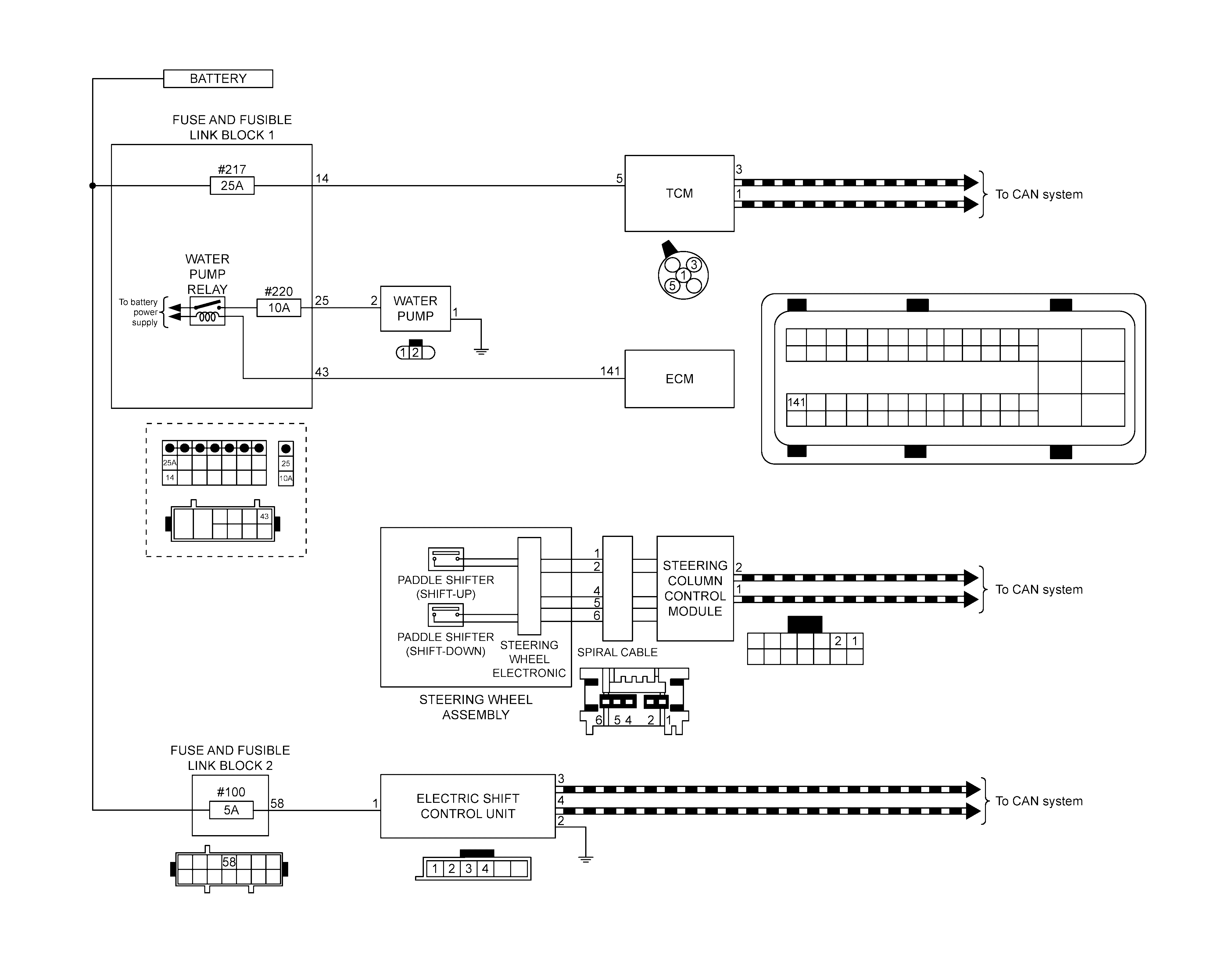
Circuit Diagram

GNSJSDIB0140GB-140Courtesy of NISSAN NORTH AMERICA, INC.