lemon-mirror:
Home >> Infiniti >> 2019 >> QX60 Pure, FWD >> Repair and Diagnosis >> Engine Performance >> System >> Engine Control System (6 Of 6) >> Removal And Installation >> Electric Intake Valve Timing Control Module >> Exploded View

Exploded View

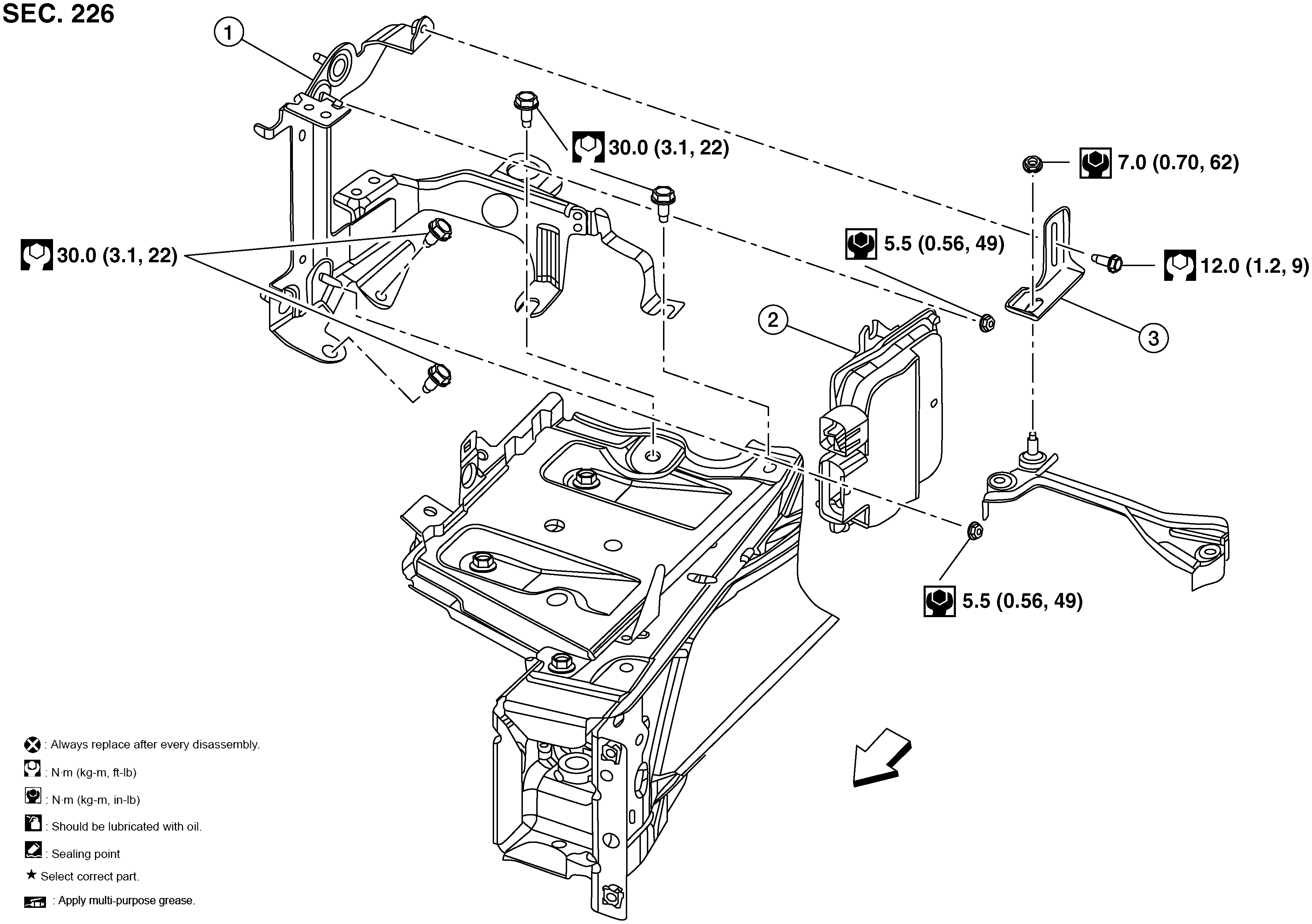
Fig 1: Electric Intake Valve Timing Control Module Components With Torque Specification
GNSALBIA3264Z-264Courtesy of NISSAN NORTH AMERICA, INC.

1.

Electric intake valve timing control module bracket

2.

Electric intake valve timing control module

3.

ECM cover

SYMBOL

Front