lemon-mirror:
Home >> Isuzu >> 1987 >> Impulse Base, Standard, MSG4K >> Repair and Diagnosis >> Engine Performance >> System >> I-TEC Control System >> Wiring Diagrams

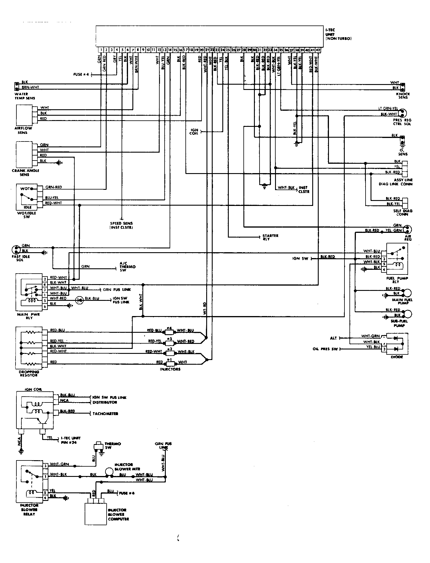
Wiring Diagrams

Fig 1: Impulse (I-TEC) Emission Control Diagram (Turbo Models)
G61574
Fig 2: Impulse (I-TEC) Emission Control Diagram (Except Turbo Models)
G61575