lemon-mirror:
Home >> Isuzu >> 1990 >> Impulse Automatic >> Repair and Diagnosis >> Body & Frame >> Power Windows >> Component Tests >> Power Window Relay

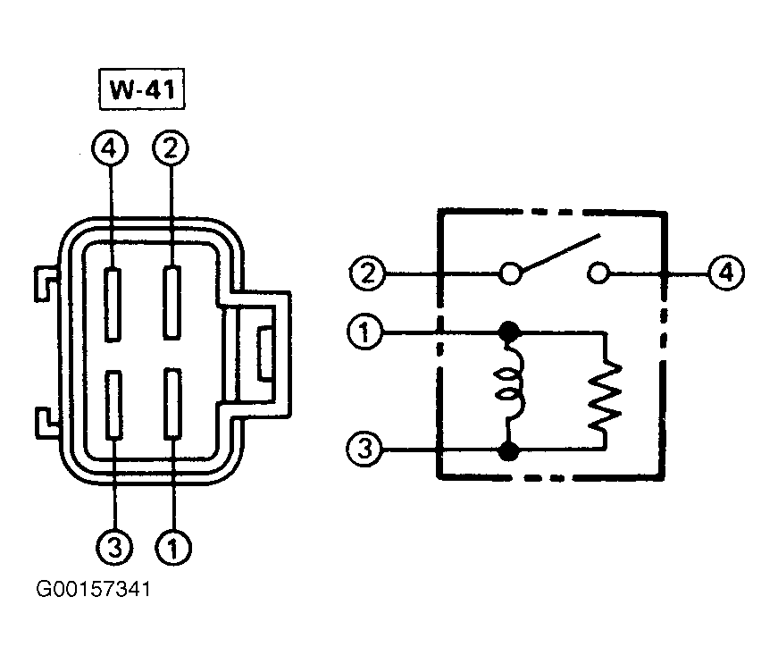
Power Window Relay

Check the continuity between the relay terminals. Between terminals No. 2 and No. 4, no continuity should be present. When battery voltage is applied to terminals No. 1 and No. 3, continuity should be present between terminals No. 2 and No. 4. See Fig 1 .

Fig 1: Testing Power Window Relay
G00157341Courtesy of ISUZU MOTOR CO.