lemon-mirror:
Home >> Isuzu >> 1997 >> Rodeo LS, 2.6 E >> Repair and Diagnosis >> Body & Frame >> Power Windows >> Component Tests >> Power Window Relay Test

Power Window Relay Test

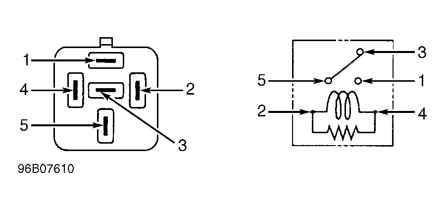
Turn ignition off. Remove power window relay located behind right-side kick panel. Using an ohmmeter, check continuity between relay terminals No. 1 and 5. See Fig 1 . Continuity should not be present. Apply battery voltage to terminal No. 2 and ground terminal No. 4. Continuity should be present between terminals No. 1 and 5. If relay does not test as described, replace relay.

Fig 1: Identifying Power Window Relay Terminals
G96B07610Courtesy of ISUZU MOTOR CO.