lemon-mirror:
Home >> Isuzu >> 1997 >> Trooper LS >> Repair and Diagnosis >> Body & Frame >> Power Windows >> Component Tests >> Power Window Relay Test

Power Window Relay Test

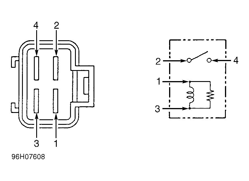
Turn ignition off. Remove power window relay located in fuse box at left side of instrument panel. Using an ohmmeter, check continuity between relay terminals No. 2 and 4. See Fig 1 . Continuity should not be present. Apply battery voltage to terminal No. 1 and ground terminal No. 3. Continuity should be present between terminals No. 2 and 4. If relay does not test as described, replace relay.

Fig 1: Identifying Power Window Relay Terminals
G96H07608Courtesy of ISUZU MOTOR CO.