lemon-mirror:
Home >> Isuzu >> 2002 >> Axiom Base, RWD >> Repair and Diagnosis >> Transmission >> Transmission Control Systems >> Transmission Control System >> General Description >> Powertrain Control Module (Pcm)

Powertrain Control Module (Pcm)

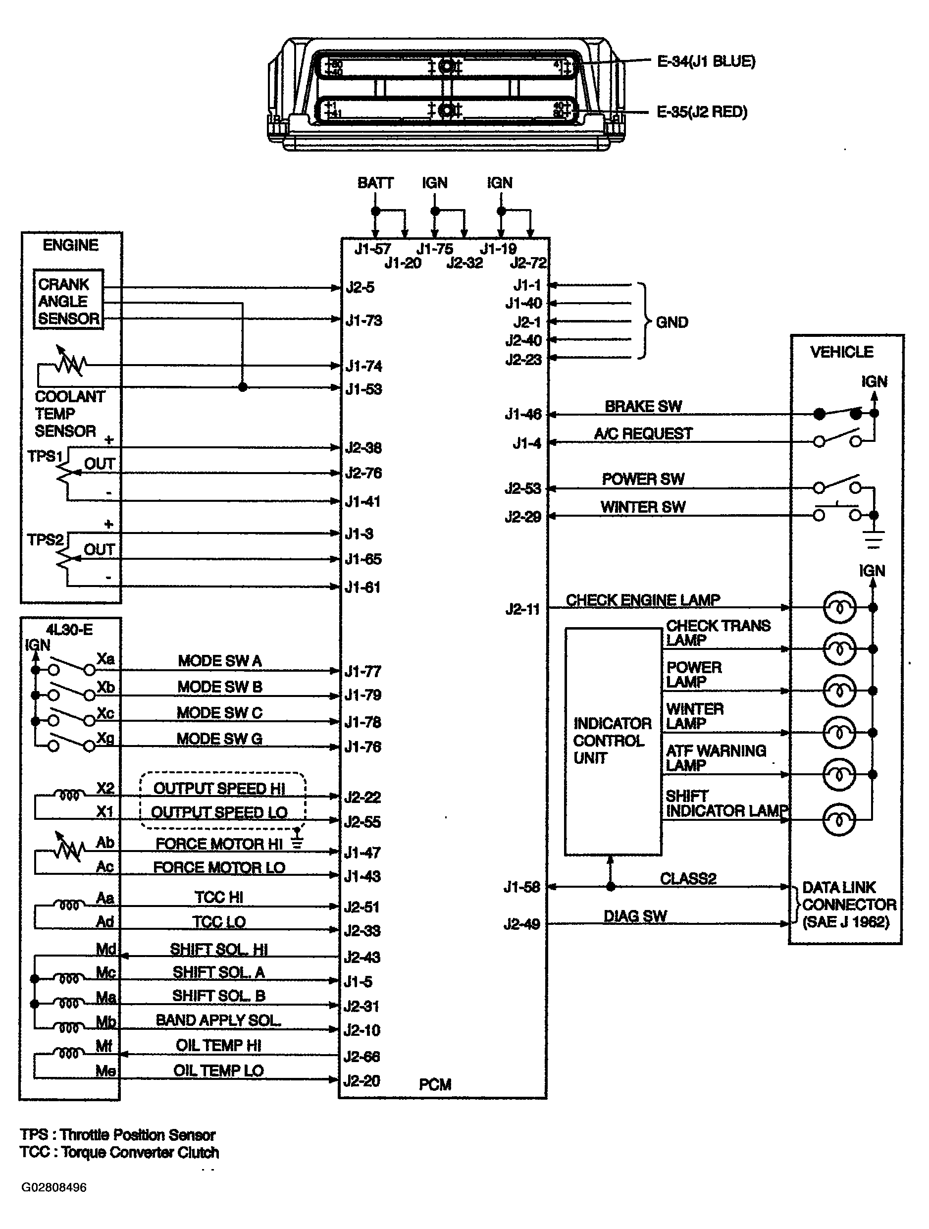
Fig 1: Identifying Powertrain Control Module (PCM)
G02808496Courtesy of ISUZU MOTOR CO.