lemon-mirror:
Home >> Isuzu >> 2003 >> Axiom Base, RWD >> Repair and Diagnosis (Single Page) >> Transmission >> Transfer Case >> Transfer Case >> Tod Control Unit >> Notes

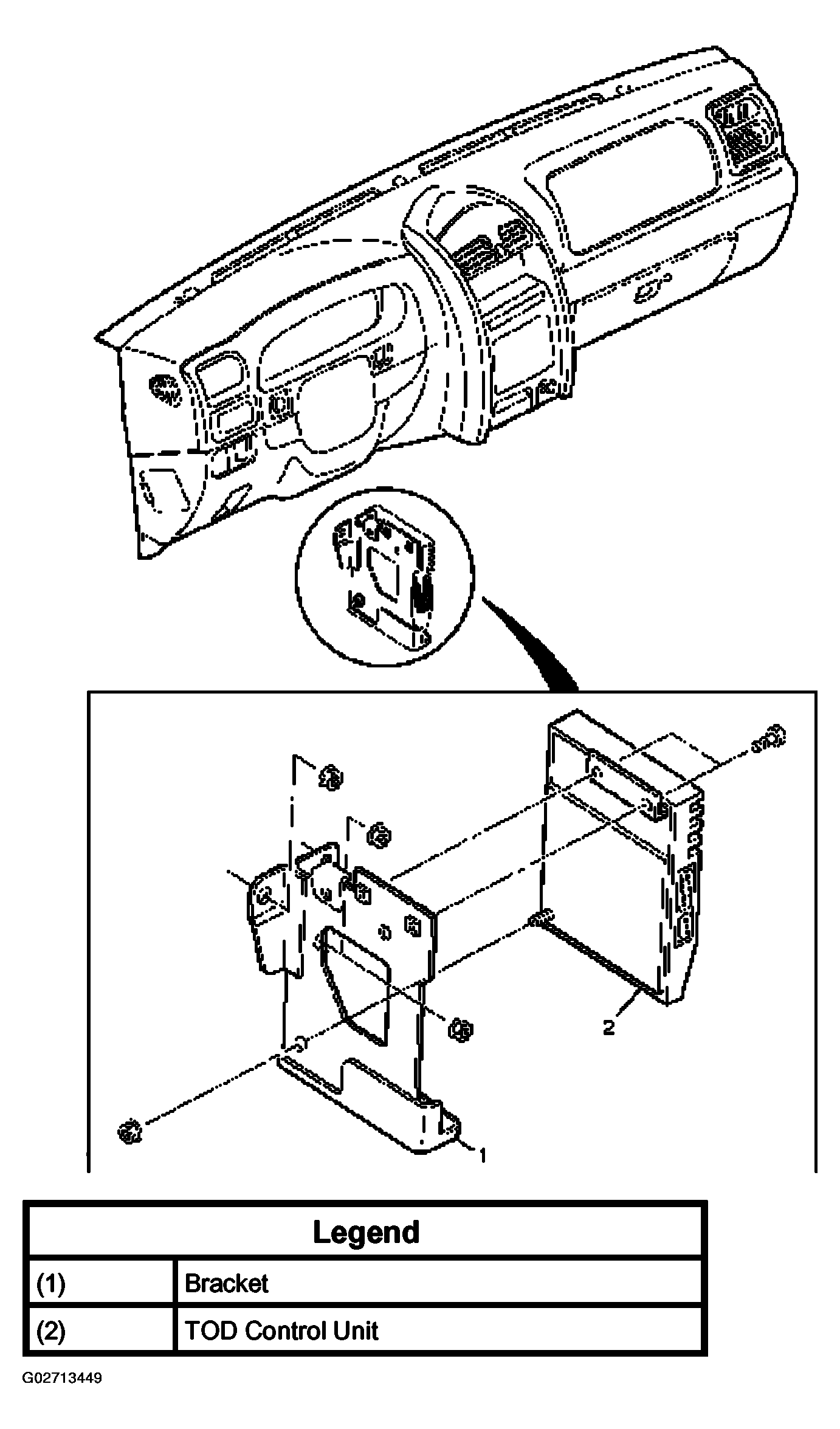
Tod Control Unit: Notes

NOTE: Torque On Demand (TOD) control unit.
Fig 1: Identifying TOD Control Unit
G02713449Courtesy of ISUZU MOTOR CO.