lemon-mirror:
Home >> Isuzu >> 2003 >> Axiom Base, RWD >> Repair and Diagnosis >> Engine Performance >> System >> Transmission Control System >> Diagnostic Trouble Codes >> Circuit Diagram

Circuit Diagram

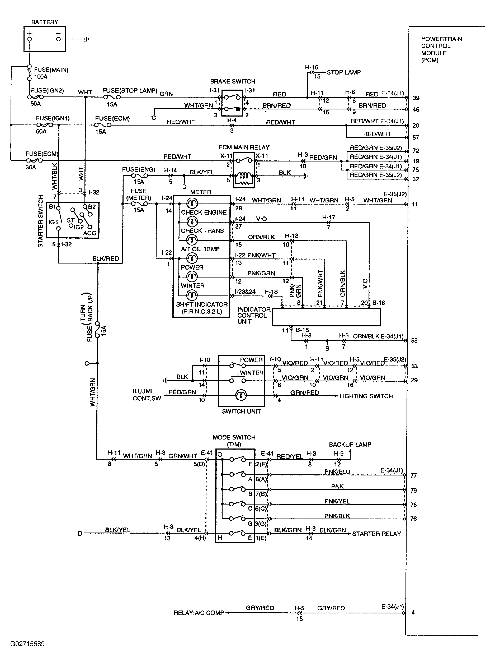
Fig 1: Transmission Control System Circuit Diagram (1 Of 2)
G02715589Courtesy of ISUZU MOTOR CO.
Fig 2: Transmission Control System Circuit Diagram (2 Of 2)
G02715590Courtesy of ISUZU MOTOR CO.