lemon-mirror:
Home >> Isuzu >> 2004 >> Axiom Base, 4WD >> Repair and Diagnosis >> Transmission >> Automatic Trans >> Automatic Transmission >> Main Data and Specifications >> Torque Specifications

Torque Specifications

Fig 1: Torque Specifications Table (1 Of 3)
G02794786Courtesy of ISUZU MOTOR CO.
Fig 2: Torque Specifications Table (2 Of 3)
G02794787Courtesy of ISUZU MOTOR CO.
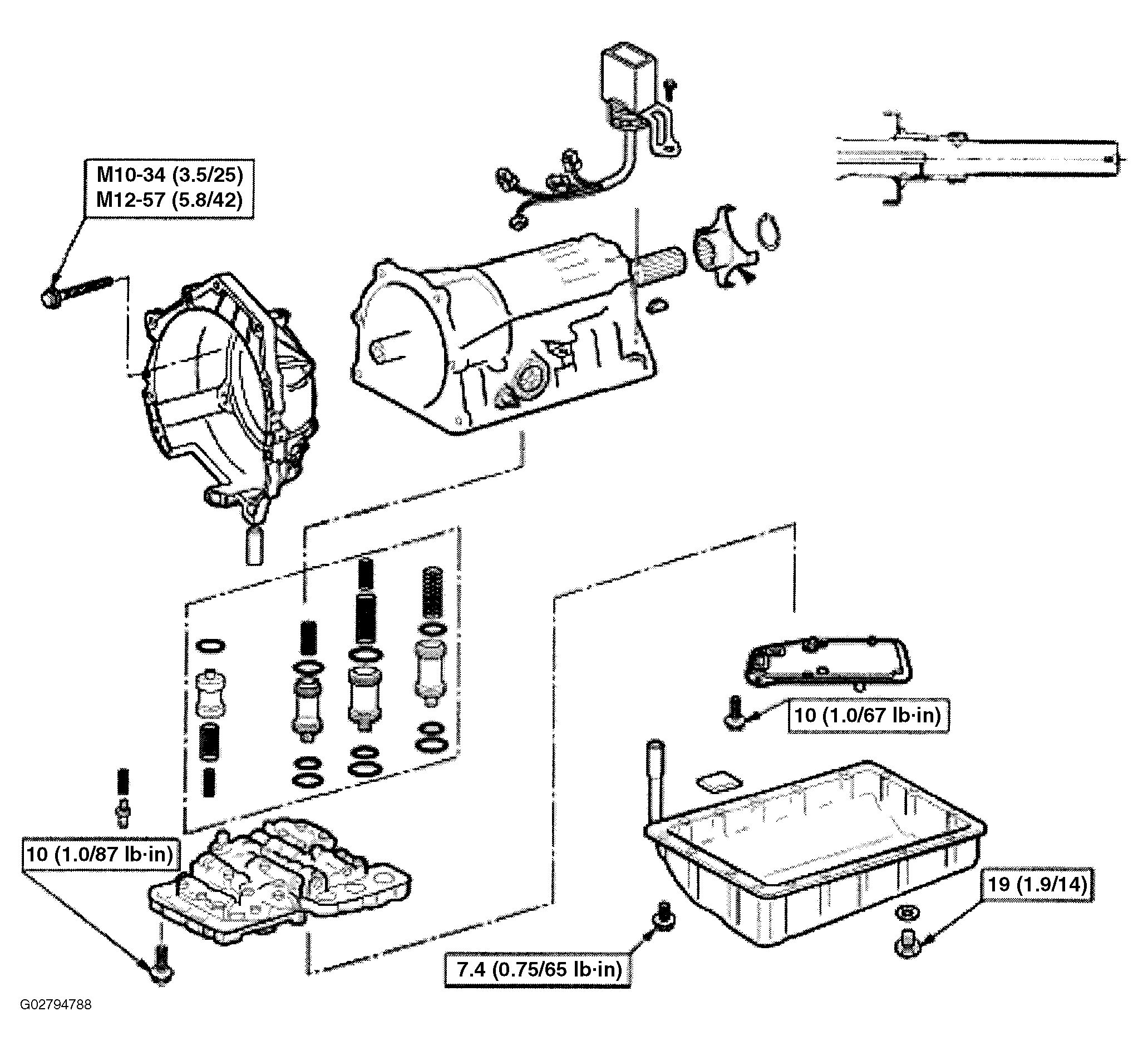
Fig 3: Torque Specifications Table (3 Of 3)
G02794788Courtesy of ISUZU MOTOR CO.