lemon-mirror:
Home >> Jaguar >> 1984 >> XJ6 Base >> Repair and Diagnosis >> Electrical >> Component Locations >> Electrical Component Locator >> Component Location Graphics

Component Location Graphics

NOTE: Figures may show multiple component locations. Refer to appropriate table for proper figure references.
Fig 1: Component Locations (1 Of 10)
G37539
Fig 2: Component Locations (2 Of 10)
G37536
Fig 3: Component Locations (3 Of 10)
G37540
Fig 4: Component Locations (4 Of 10)
G37538
Fig 5: Component Locations (5 Of 10)
G37543
Fig 6: Component Locations (6 Of 10)
G37542
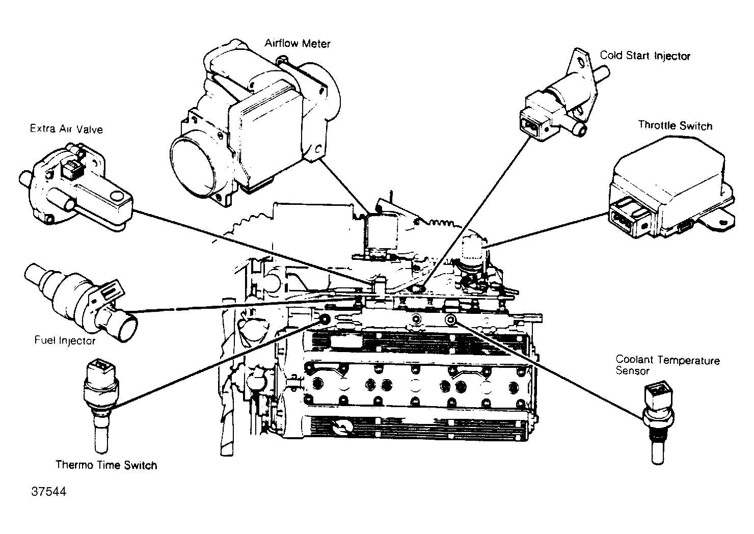
Fig 7: Component Locations (7 Of 10)
G37544
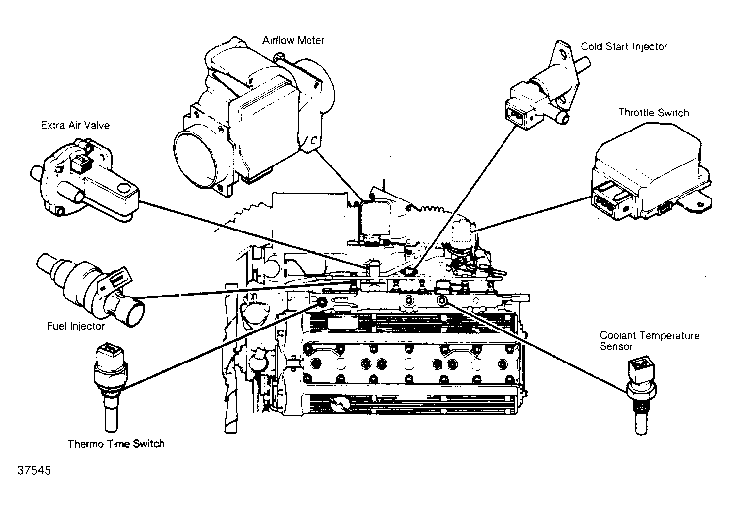
Fig 8: Component Locations (8 Of 10)
G37545
Fig 9: Component Locations (9 Of 10)
G37541
Fig 10: Component Locations (10 Of 10)
G37537