lemon-mirror:
Home >> Jaguar >> 1987 >> XJ6 Base >> Repair and Diagnosis >> Electrical >> Component Locations >> Electrical Component Locator >> Component Location Graphics

Component Location Graphics

NOTE: Figures may show multiple component locations. Refer to appropriate table for proper figure references.
Fig 1: Component Locations (1 Of 11)
G33711
Fig 2: Component Locations (2 Of 11)
G33708
Fig 3: Component Locations (3 Of 11)
G37210
Fig 4: Component Locations (4 Of 11)
G33710
Fig 5: Component Locations (5 Of 11)
G33722
Fig 6: Component Locations (6 Of 11)
G33709
Fig 7: Component Locations (7 Of 11)
G33712
Fig 8: Component Locations (8 Of 11)
G37211
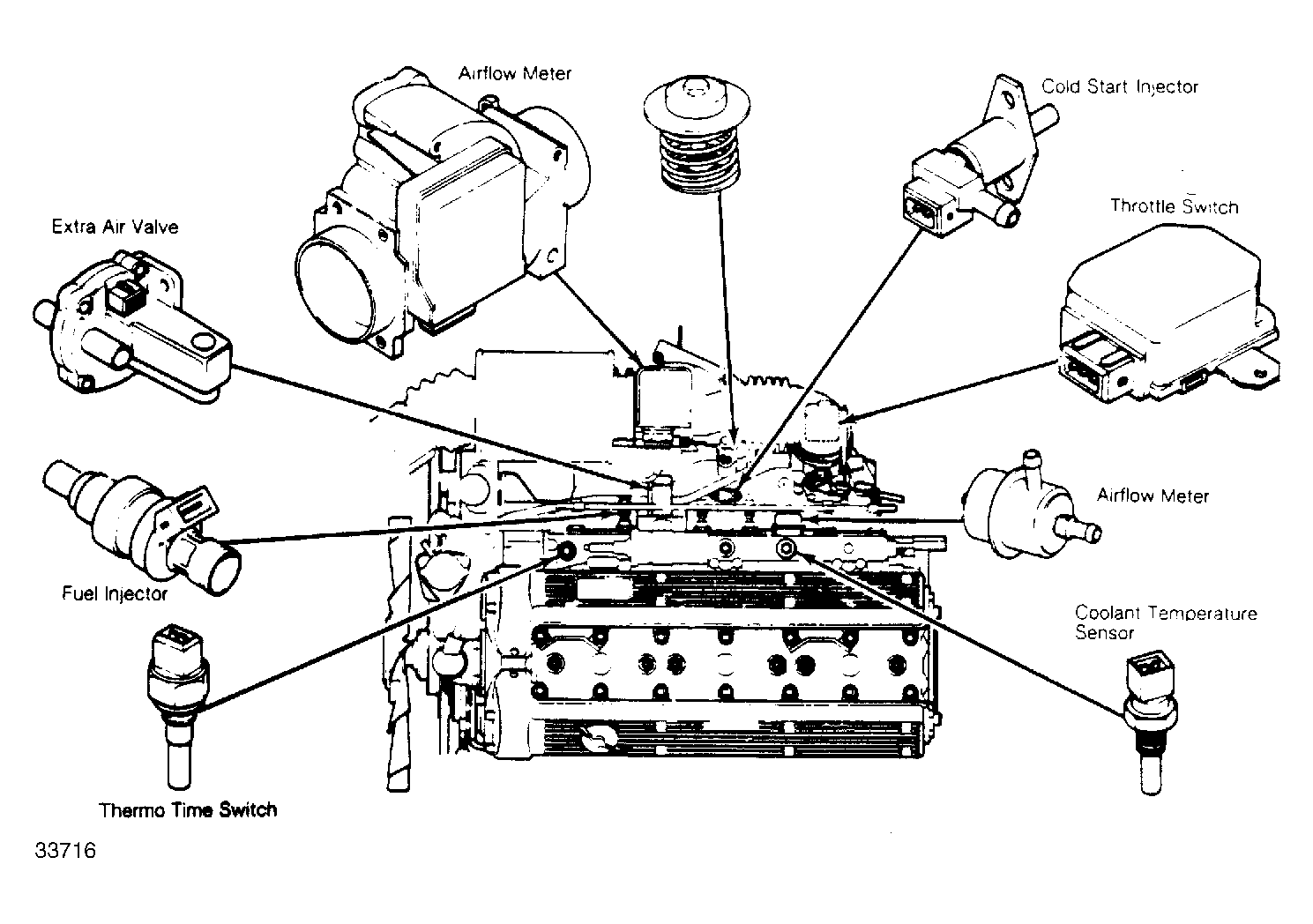
Fig 9: Component Locations (9 Of 11)
G33716
Fig 10: Component Locations (10 Of 11)
G33265
Fig 11: Component Locations (11 Of 11)
G33713