lemon-mirror:
Home >> Jaguar >> 1990 >> XJ6 Base >> Repair and Diagnosis >> Brakes >> Traction Control >> Anti-Lock Brake System >> Testing >> Notes

Anti-Lock Brake System: Testing: Notes

WARNING: DO NOT loosen or remove any ABS hydraulic component until system has been depressurized. Failure to depressurize system may lead to personal injury. See DEPRESSURIZING BRAKE SYSTEM under REMOVAL & INSTALLATION.
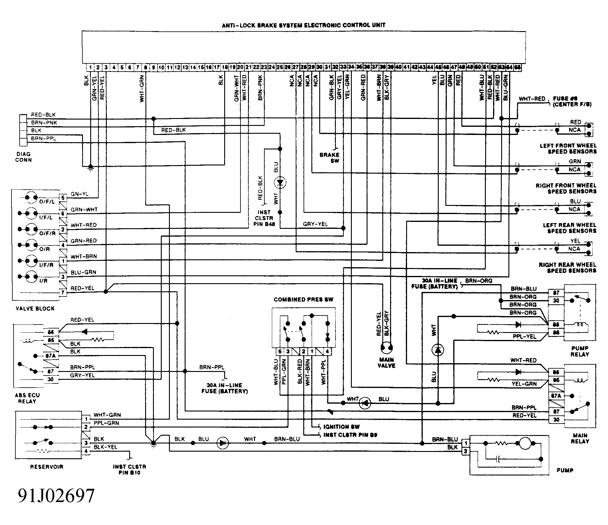
NOTE: To aid in testing components, see Figure for wire colors and terminal identification.