lemon-mirror:
Home >> Jeep >> 1987 >> Cherokee Limited >> Repair and Diagnosis >> Engine Performance >> System >> Fuel Injection System - TBI >> Operation >> Manifold Absolute Pressure (Map) Sensor

Manifold Absolute Pressure (Map) Sensor

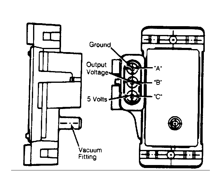
MAP sensor measures absolute pressure in intake manifold. Both mixture density and ambient barometric pressure are supplied to ECU by MAP sensor. Sensor is mounted in middle of firewall in engine compartment. Sensor receives manifold pressure information through vacuum line from throttle body. See Fig 1 .

Fig 1: Manifold Absolute Pressure (MAP) Sensor
G11453Courtesy of AMERICAN MOTORS/JEEP CORP.