lemon-mirror:
Home >> Jeep >> 1990 >> Wagoneer >> Repair and Diagnosis >> Engine Performance >> System >> Engine Controls - System/Component Tests - 4.0L >> Electronic Control Unit (Ecu) >> Notes

Electronic Control Unit (Ecu): Notes

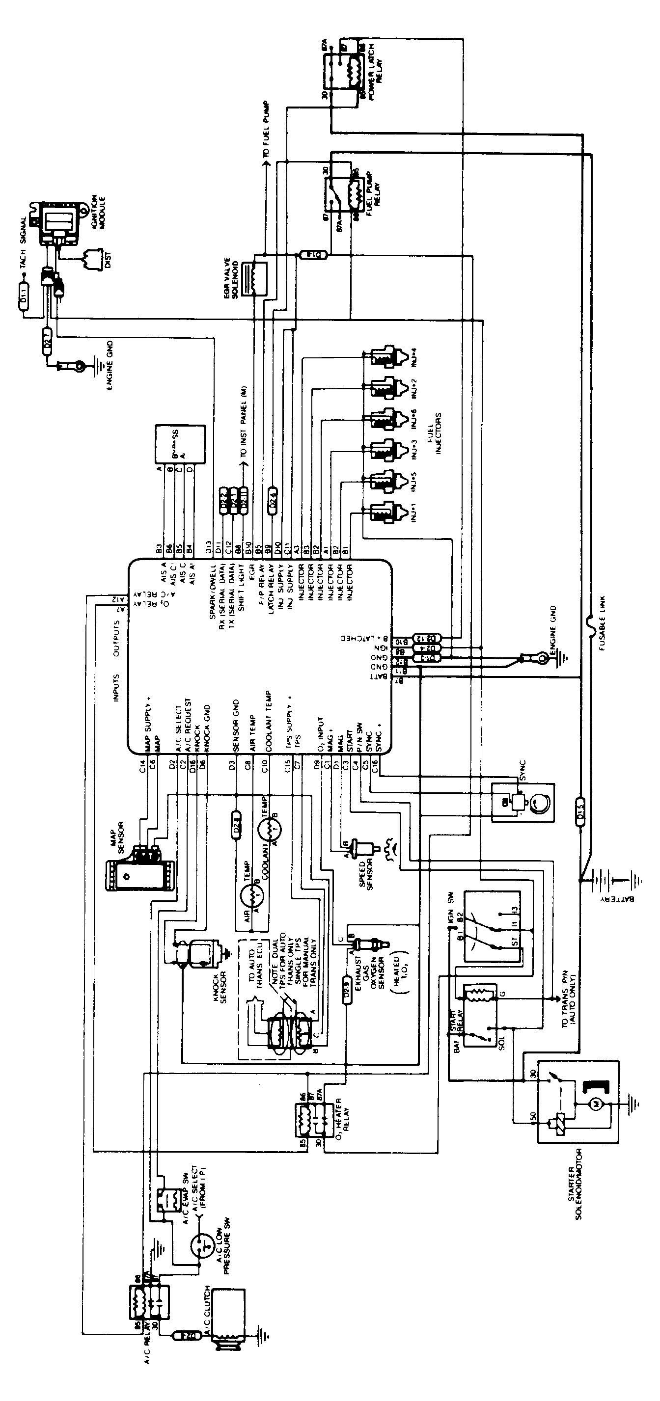
For diagnosing electronic control system malfunctions, refer to TESTS W/CODES article. For testing ground and power circuits of ECU, use the following procedures. If necessary, refer to ECU control schematics. See Figure and Figure .