lemon-mirror:
Home >> Jeep >> 1991 >> Cherokee Limited >> Repair and Diagnosis >> Electrical >> Component Locations >> Electrical Component Locator >> Control Units

Control Units

CONTROL UNITS LOCATION

Component Location
ABS Under left rear seat.
Chime Module On top of fuse block. See Figure.
ECAT Module Behind right side of dash.
Headlight Delay Module Under dash, next to headlight switch.
Intermittent Wiper Module Under left side of dash, left of steering column.
Keyless Entry Module Between sun visors.
Security System Module On bracket, left side of A/C-heater housing.
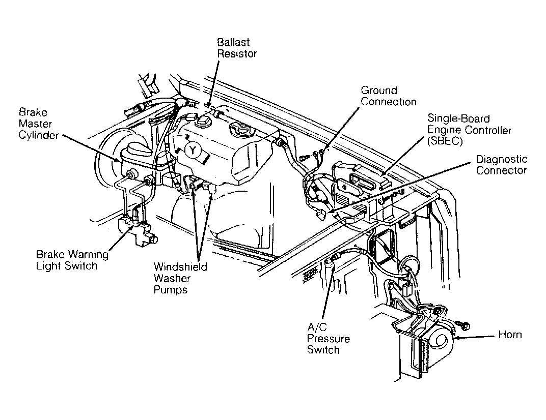
Single-Board Engine Controller (SBEC)/Engine Control Unit (ECU) On left front fender apron, behind air cleaner. See Figure.
Speed Control Module Function of SBEC engine controller.