lemon-mirror:
Home >> Jeep >> 2005 >> Wrangler X, Automatic >> Repair and Diagnosis >> Engine Performance >> Fuel Delivery >> Fuel System >> Fuel Injection >> Throttle Control Cable >> Removal >> 4.0L

Throttle Control Cable: Removal: 4.0L

CAUTION: Be careful not to damage or kink the cable core wire (within the cable sheathing) while servicing accelerator pedal or throttle cable.
  1. From inside vehicle, hold up accelerator pedal. Remove plastic cable retainer (clip) and throttle cable core wire from upper end of accelerator pedal arm. Plastic cable retainer (clip) snaps into pedal arm. See Fig 1.
  2. Remove cable core wire at pedal arm.
  3. From inside vehicle, pinch both sides of cable housing retainer tabs at dash panel. Remove cable housing from dash panel and pull into engine compartment. See Fig 1.
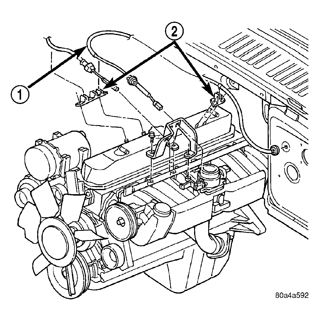
  4. Remove cable from clip guides on engine cylinder head (valve) cover. See Fig 2.
  5. Remove throttle cable ball socket at throttle body by pushing ball socket towards rear of vehicle (ball snaps off of throttle body pin). See Fig 3.
  6. Remove throttle cable from throttle body mounting bracket by compressing release tabs and pushing cable through hole in bracket. See Fig 3.
  7. Remove throttle cable from vehicle.
Fig 1: ACCELERATOR PEDAL MOUNTING
GC0030544Courtesy of DAIMLERCHRYSLER CORP.
1 - CABLE RETAINER
2 - SLOT
3 - MOUNTING STUDS (2)
4 - PEDAL/BRACKET ASSEMBLY
5 - MOUNTING STUDS
6 - RETAINER TABS
7 - CABLE
8 - CABLE STOP
Fig 2: THROTTLE CABLE ROUTING - 4.0L
GC0030562Courtesy of DAIMLERCHRYSLER CORP.
1 - THROTTLE CABLE
2 - GUIDE
Fig 3: THROTTLE CABLE AT THROTTLE BODY - 4.0L - TYPICAL
GC0030527Courtesy of DAIMLERCHRYSLER CORP.
1 - ACCELERATOR CABLE
2 - OFF
3 - OFF
4 - THROTTLE BODY BELLCRANK
5 - SPEED CONTROL CABLE
6 - RELEASE TABS
7 - BRACKET