lemon-mirror:
Home >> Jeep >> 2007 >> Compass Limited, FWD, Standard >> Repair and Diagnosis >> Restraints >> Restraints Control Systems >> DTCS B1B8E To B1C2B >> B1BAA-Occupant Classification Module Configuration Mismatch >> Circuit Schematic

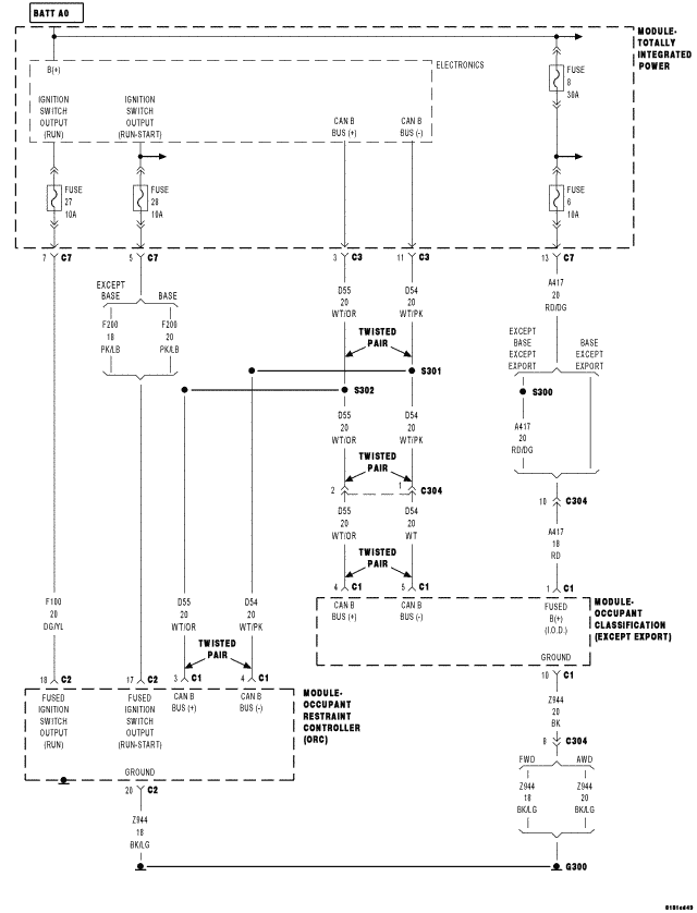
Circuit Schematic

Fig 1: Occupant Classification System Circuit Schematic
GC0050847Courtesy of CHRYSLER LLC