lemon-mirror:
Home >> Jeep >> 2007 >> Wrangler Rubicon, Automatic >> Repair and Diagnosis >> Engine Performance >> System >> DTCS P0128 To P0202 >> P0161-O2 Sensor 2/2 Heater Performance >> Circuit Schematic

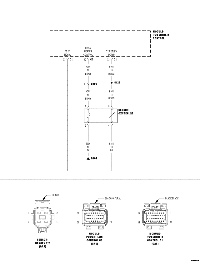
Circuit Schematic

Fig 1: O2 Sensor 2/2 Circuit Schematic
GC0064173Courtesy of CHRYSLER LLC