lemon-mirror:
Home >> Jeep >> 2008 >> Compass Limited, FWD, Standard >> Repair and Diagnosis (Single Page) >> Transmission >> Engine & Automatic Transmission Cooling System >> Engine >> Fan-Radiator >> Installation >> Installation-Gas Engine

Installation-Gas Engine

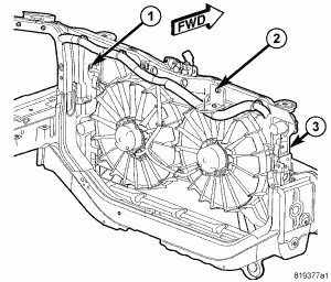
Fig 1: RADIATOR FAN ASSEMBLY
GC0053125Courtesy of CHRYSLER LLC
1 - RADIATOR FAN ELECTRICAL CONNECTOR
2 - BRACKET
3 - RADIATOR
  1. Install the radiator fan assembly into J-clips.
  2. Install radiator fan fasteners. Tighten all radiator fan retaining screws to 6 N.m (55 in. lbs.).
  3. Install radiator crossmember. Refer to INSTALLATION .
  4. Install wiring harness bracket (2).
  5. Connect radiator fan electrical connector (1).
  6. Install upper radiator hose.
  7. Connect negative battery cable.
  8. Fill cooling system. See STANDARD PROCEDURE .