lemon-mirror:
Home >> Jeep >> 2008 >> Compass Limited, FWD, Standard >> Repair and Diagnosis >> Engine Performance >> System >> DTCS P2009 To P2116 >> P2015-Intake Manifold Runner Position Sensor Performance >> Circuit Schematic

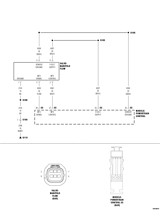
Circuit Schematic

Fig 1: Intake Manifold Runner Control Circuit Schematic
GC0053997Courtesy of CHRYSLER LLC