lemon-mirror:
Home >> Jeep >> 2009 >> Compass Limited, EDG, Standard >> Repair and Diagnosis >> Electrical >> Charging Systems >> Battery System >> Battery >> Installation >> Installation

Battery System: Battery: Installation: Installation

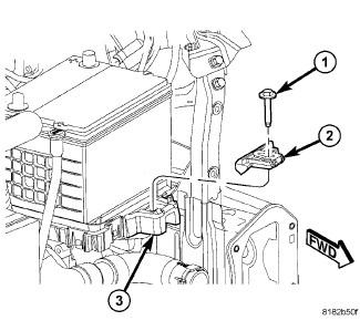
Fig 1: Identifying Battery Hold Down
GC0098495Courtesy of CHRYSLER LLC
WARNING:

To protect the hands from battery acid, a suitable pair of heavy duty rubber gloves should be worn when removing or servicing a battery. Safety glasses also should be worn.

WARNING: Remove metallic jewelry to avoid injury by accidental arcing of battery current.
NOTE: When replacing battery, the thermal guard MUST be transferred to the new battery (if equipped).
  1. Install battery in vehicle making sure that the thermal guard (if equipped) is present and battery is properly positioned on battery tray (3).
  2. Install the battery hold down retainer (2) and bolt (1) making sure that it is properly positioned on battery. Tighten the hold down bolt to 7 N.m (62 in. lbs.)
    Fig 2: Negative Cable
    GC0098494Courtesy of CHRYSLER LLC
    WARNING: The battery negative and positive cable polarity are different from the gasoline engine equipped vehicles to the diesel engine equipped vehicles. Please note the location of the positive and negative cables prior to service of the battery or related components.
    NOTE: Diesel battery shown, gasoline battery similar.
  3. Connect the battery positive cable then the negative cable (3).
  4. Tighten the cable clamp nuts to 5 N.m (45 in.lbs.).
    Fig 3: Air Cleaner Box & Snorkel
    GC0098493Courtesy of CHRYSLER LLC
  5. Install the air cleaner fresh air duct (2) and secure in place by rotating the two retaining clips (3).
  6. Verify proper vehicle operation.