lemon-mirror:
Home >> Jeep >> 2010 >> Commander Limited, RWD >> Repair and Diagnosis >> Engine Performance >> Engine Control Systems >> Front Control Module (FCM) - Electrical Diagnostics >> DTC Troubleshooting >> B211F-Ignition Run/Acc/Pad Control Circuit High >> Circuit Schematic

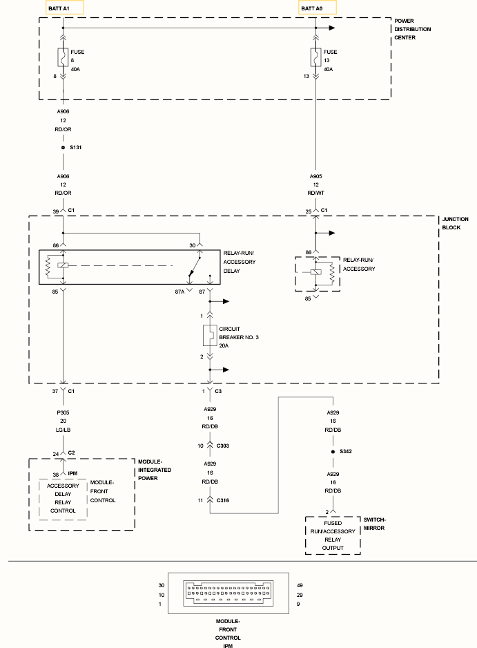
Circuit Schematic

Fig 1: Accessory Delay Relay Control Circuit Schematic
GC0120148Courtesy of CHRYSLER LLC