lemon-mirror:
Home >> Jeep >> 2010 >> Wrangler Islander, Standard >> Repair and Diagnosis >> Electrical >> Charging Systems >> Battery System >> Battery >> Installation >> Installation

Battery System: Battery: Installation: Installation

WARNING:

To protect the hands from battery acid, a suitable pair of heavy duty rubber gloves should be worn when removing or servicing a battery. Safety glasses also should be worn.

WARNING: Remove metallic jewelry to avoid injury by accidental arcing of battery current.
NOTE: When replacing battery, the thermal guard MUST be transferred to the new battery (if equipped).
  1. Install battery into the vehicle making sure that the thermal guard (if equipped) is present and battery is properly positioned on battery tray.
    Fig 1: Identifying Battery Components
    GC0085599Courtesy of CHRYSLER LLC
    Fig 2: Identifying Battery Tray Components
    GC0130756Courtesy of CHRYSLER LLC
  2. On diesel engine equipped vehicles, position the retaining bracket onto the battery (4) and install the bracket bolts (2 and 3). Tighten the bolts to 7 N.m (62 in. lbs.)

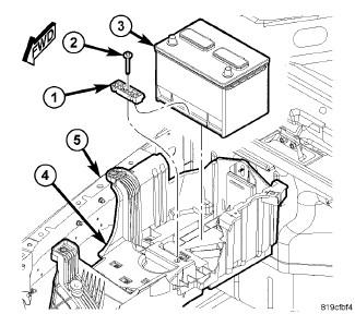
  3. On gasoline engine equipped vehicles, install the battery hold down retainer (1) and bolt (2) making sure that it is properly positioned on battery (3). Tighten the hold down bolt to 7 N.m (62 in. lbs.)
    Fig 3: Removing/Installing Battery
    GC0130755Courtesy of CHRYSLER LLC
    WARNING: The battery negative and positive cable polarity are different from the gasoline engine equipped vehicles to the diesel engine equipped vehicles. Please note the location of the positive and negative cables prior to service of the battery or related components.
    NOTE: Left hand drive gasoline engine shown in the illustration, left hand drive diesel similar. Right hand drive gasoline and diesel similar with the battery and related components packaged on the left side of the engine compartment.
  4. Connect the battery positive cable (4) and tighten the pinch clamp nut to 5 N.m (45 in. lbs.)
  5. Connect the battery negative cable (8) and tighten the pinch clamp nut to 5 N.m (45 in. lbs.)
  6. Verify proper vehicle operation.