lemon-mirror:
Home >> Jeep >> 2011 >> Compass Limited, FWD, Standard >> Repair and Diagnosis >> Transmission >> Automatic Trans >> Engine Cooling System >> Engine >> BOTTLE, Coolant Recovery >> Installation >> Gas Engine

Gas Engine

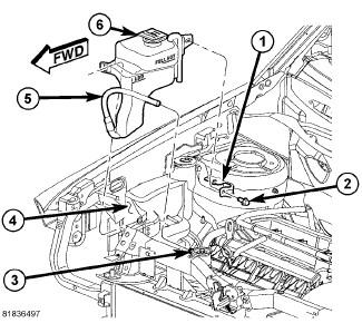
Fig 1: Coolant Recovery Container
GC0083972Courtesy of CHRYSLER LLC
1 - MOUNTING BRACKET
2 - BOLT
3 - RADIATOR HOSE TEE
4 - WASHER RESERVOIR
5 - HOSE
6 - COOLANT RECOVERY CONTAINER
  1. Position the coolant recovery container (6) into the washer fluid reservoir (4).
  2. Install the coolant recovery container mounting bolt (2). Tighten the mounting bolt to 4 N.m (35 in. lbs.).
  3. Connect the hose (5) at the upper radiator tee (3).
  4. Fill coolant recovery container to proper level. Refer to Standard Procedure .