lemon-mirror:
Home >> Jeep >> 2012 >> Wrangler Rubicon, Automatic Trans >> Repair and Diagnosis >> Transmission >> Automatic Trans >> Transmission Control Module (TCM) - Electrical Diagnostics >> DTC Troubleshooting >> P1644-Incorrect Variant/Configuration >> Notes

P1644-Incorrect Variant/Configuration: Notes

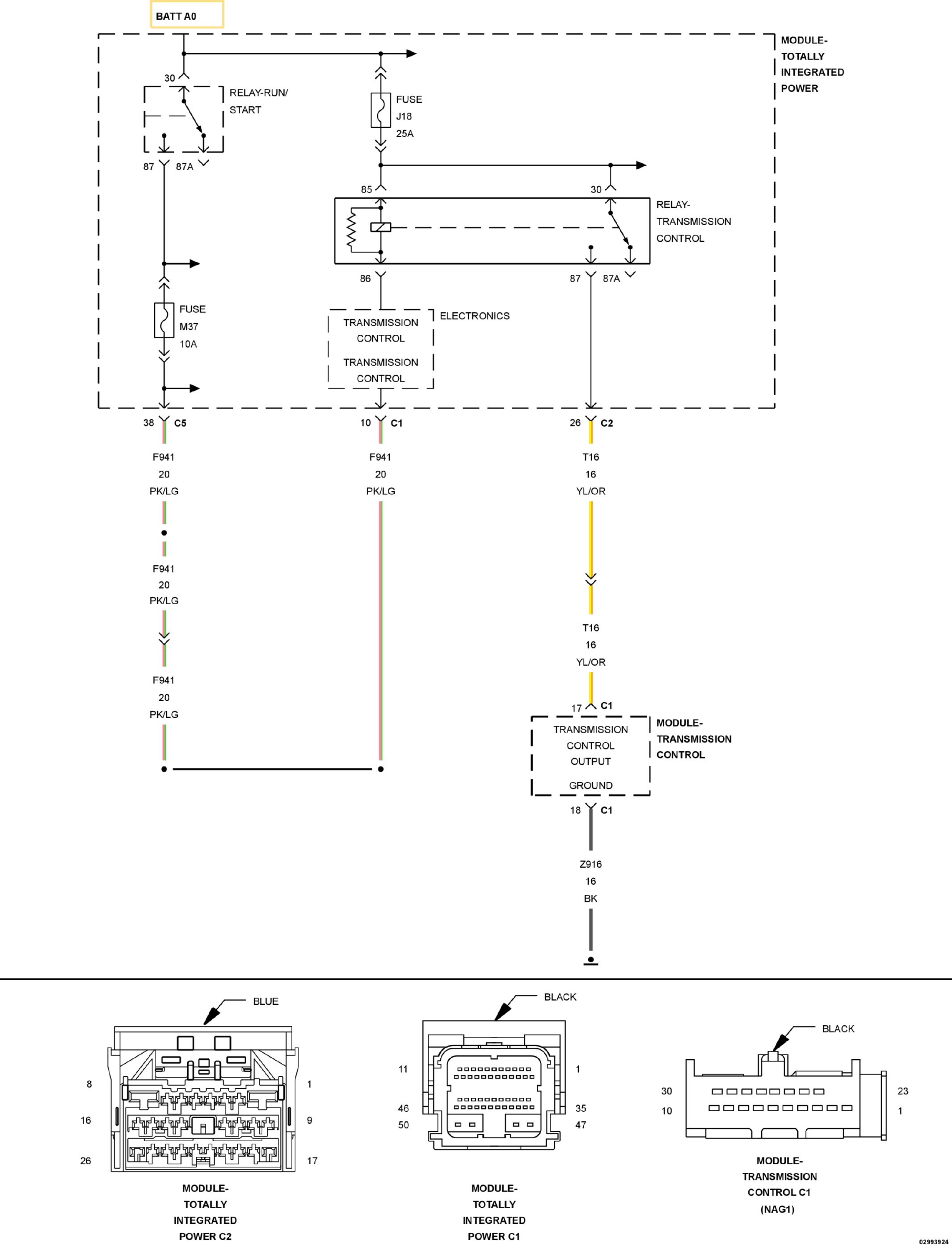
Fig 1: Transmission Control Module Circuit Wiring Diagram
GC0149328Courtesy of CHRYSLER GROUP, LLC

For a complete wiring diagram, refer to appropriate SYSTEM WIRING DIAGRAMS article  .