lemon-mirror:
Home >> Jeep >> 2013 >> Compass Limited, FWD >> Repair and Diagnosis >> Restraints >> Restraints Control Systems >> Restraints System (Service Information) >> Occupant Restraint Controller Module >> Installation >> Installation

Occupant Restraint Controller Module: Installation: Installation

WARNING:

To avoid serious or fatal injury on vehicles equipped with side curtain or seat airbags, disable the Supplemental Restraint System (SRS) before attempting any Occupant Restraint Controller (ORC) diagnosis or service. The ORC contains a rollover sensor, which enables the system to deploy the side curtain and seat airbags in the event of a vehicle rollover event. If an ORC is accidentally rolled during service while still connected to battery power, the side curtain and seat airbags will deploy. Disconnect and isolate the battery negative (ground) cable, then wait two minutes for the system capacitor to discharge before performing further diagnosis or service. This is the only sure way to disable the SRS. Failure to take the proper precautions could result in accidental airbag deployment.

WARNING:

To avoid serious or fatal injury on vehicles equipped with airbags, disable the Supplemental Restraint System (SRS) before attempting any steering wheel, steering column, airbag, seat belt tensioner, impact sensor or instrument panel component diagnosis or service. Disconnect and isolate the battery negative (ground) cable, then wait two minutes for the system capacitor to discharge before performing further diagnosis or service. This is the only sure way to disable the SRS. Failure to take the proper precautions could result in accidental airbag deployment.

WARNING:

To avoid serious or fatal injury, never strike or drop the Occupant Restraint Controller (ORC), as it can damage the impact sensor or affect its calibration. The ORC contains the impact sensor, which enables the system to deploy the SRS components. If an ORC is accidentally dropped during service, the module must be scrapped and replaced with a new unit. Failure to observe this warning could result in accidental, incomplete, or improper SRS component deployment.

Fig 1: ORC Mount Covering
GC0084283Courtesy of CHRYSLER GROUP, LLC
NOTE:

Several different Occupant Restraint Controllers (ORC) are available for this vehicle. For vehicles equipped with the optional side curtain or seat airbags the ORC contains a second bi-directional safing sensor.

  1. Lift, but do not remove, the jute covered panel (1) over the Occupant Restraint Controller (ORC) (2) mount between the dash panel and the gearshift mechanism as necessary to reinstall the ORC, its connections and fasteners.
    CAUTION:

    Be certain that the jute covered panel over the ORC is restored to its original installed position following ORC service. Failure to do so may result in the setting of a false Diagnostic Trouble Code (DTC) and illumination of the airbag indicator. This cover protects the ORC from the gearshift selector cables vibrating against or striking the top of the ORC housing, which could be falsely interpreted as a vehicle impact pulse by the sensors within the ORC.

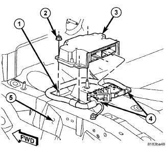
    Fig 2: Removing/Installing Occupant Restraint Controller
    GC0084284Courtesy of CHRYSLER GROUP, LLC
  2. Carefully position the Occupant Restraint Controller (ORC) (3) onto the three studs (1) of the ORC mount on the floor panel transmission tunnel (5). The bottom of the ORC housing is keyed. When the ORC is correctly positioned, the bottom of the housing will fit flush with the mount and the orientation arrow on the label on top of the housing will be pointed forward in the vehicle.
  3. Reconnect the two instrument panel wire harness connectors (4) to the ORC connector receptacles located on the rearward facing side of the module. Be certain that the latches on the connectors are each fully engaged.
  4. Install and tighten the three nuts (2) that secure the ORC to the studs of the ORC mount. Tighten the nuts to 9 N.m (80 in. lbs.).
  5. Restore the jute covered panel to its proper position over the ORC between the dash panel and the gearshift mechanism.
  6. Reinstall the center console shifter pod and bezel onto the top of the floor panel transmission tunnel. Refer to INSTALLATION .
  7. Do not reconnect the negative cable to the battery at this time. The Supplemental Restraint System (SRS) Verification Test procedure should be performed following service of any SRS component. Refer to STANDARD PROCEDURE .